Каталог
Назад
Система привода
Усилие смыкания
По типу продукции
Серии ТПА
Электрические ТПА
Гидравлические ТПА
60 тонн
90 тонн
120 тонн
160 тонн
200 тонн
400 тонн
500 тонн
800 тонн
1000 тонн
1500 тонн
2000 тонн
3500 тонн
4000 тонн
4500 тонн
Баки
Ящики
Посуда
Стаканчики
Мебель
Контейнеры
Вся продукция
Электрические ТПА
Neo·E II
Электрические ТПА
Neo·H II
Электрические ТПА
Neo·T
Электрические ТПА
Neo·T Lite
Электрические ТПА
Neo·Mv
Электрические ТПА
DREAM·DD
Электрические ТПА
DREAM·DT
Электрические ТПА
Neo·Ms
Перейти к оборудованию
Сервис
Лизинг
Обучение
Пресс-формы
Область применения
О компании
Назад
О компании
Новости
Контакты
Пн-Пт с 9:00 до 18:00
8 (495) 789-55-85
Пн-Пт с 9:00 до 18:00
8 (495) 789-55-85
Главная
Каталог
DREAM·DD
D210Db m210/m150
ТПА D210Db m210/m150
Серия ТПА
DREAM·DD
Усилие смыкания
210 тонн
Система привода
Гидравлика
Тип смыкания
Коленно-рычажный
Система управления
Techmation/Keba
Производимая продукция:
Все теги
Заказать
Купить в лизинг
Характеристики
Чертежи
Полезная информация
Характеристики
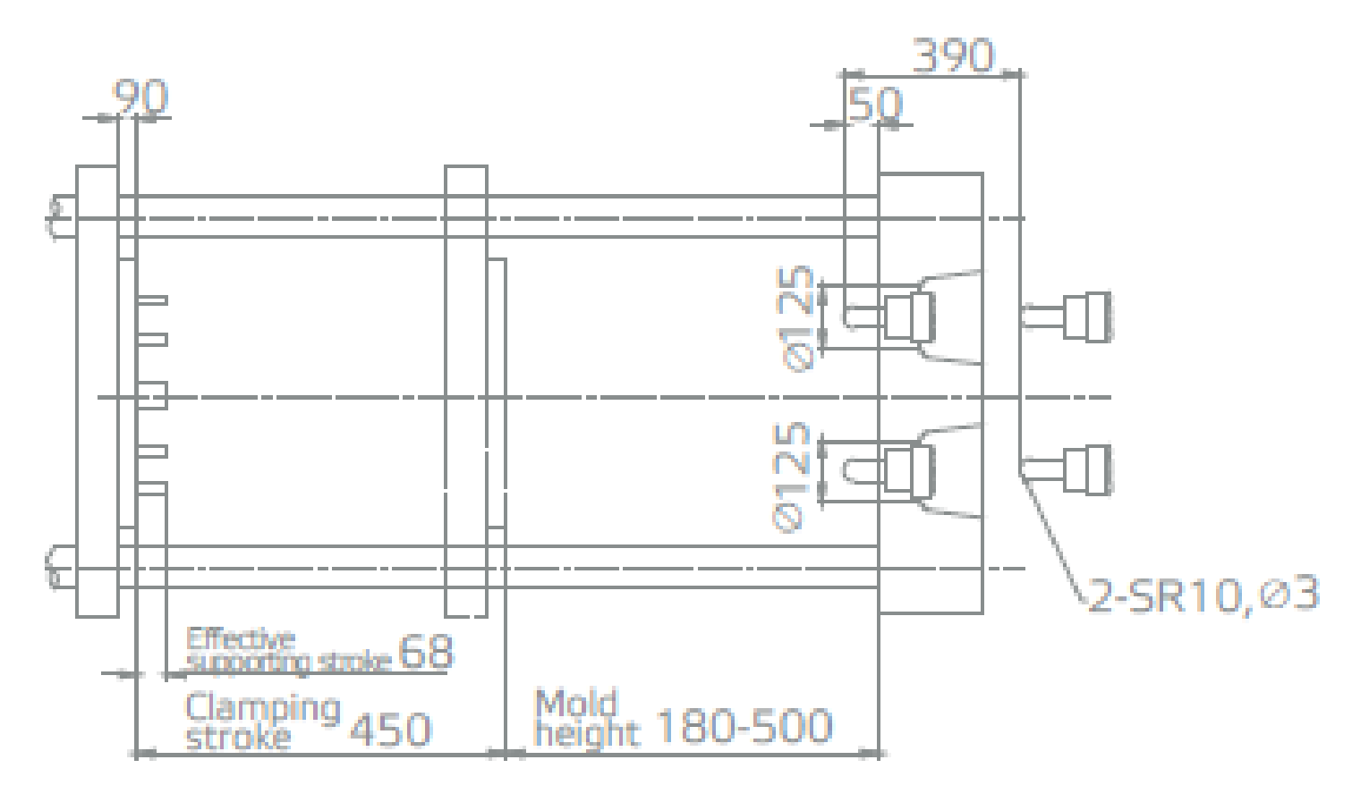
Узел смыкания
Ед.
D210Db m210/m150
Усилие смыкания
т
210
Ход открытия формы
мм
450
Расстояние между колонн
мм
830x510
Макс. высота пресс-формы
мм
500
Мин. высота пресс-формы
мм
180
Несущая способность поворотной плиты
т
0.8
Ход толкателя
мм
160
Эффективный ход толкателя
мм
68
Усилие толкателя
кН
34
Кол-во толкателей
шт
3+3
Макс. просвет
мм
950
Расстояние между центрами формы
мм
450
Диаметр поворотной плиты
мм
870
Макс. поворотный диаметр формы
мм
1010
Узел впрыска
Ед.
m210
m150
A
B
C
A
B
C
Диаметр шнека
мм
28
32
35
25
28
32
Объем впрыска (теор.)
см³
89
116
138
62
78
101
Масса впрыска (ПС)
г
81
105
126
56
71
92
Давление впрыска
МПа
246
188
158
309
246
188
Скорость впрыска в воздух (ПС)
г/с
80
105
125
64
80
105
Скорость вращения шнека
об/мин
240
Макс. скорость впрыска
мм/сек
143
Ход шнека
мм
144
126
Диаметр шнека
мм
28
32
35
25
28
32
Объем впрыска (теор.)
см³
89
116
138
62
78
101
Масса впрыска (ПС)
г
81
105
126
56
71
92
Давление впрыска
МПа
246
188
158
309
246
188
Скорость впрыска в воздух (ПС)
г/с
80
105
125
64
80
105
Скорость вращения шнека
об/мин
240
Макс. скорость впрыска
мм/сек
143
Ход шнека
мм
144
126
Диаметр шнека
мм
28
32
35
25
28
32
Объем впрыска (теор.)
см³
89
116
138
62
78
101
Масса впрыска (ПС)
г
81
105
126
56
71
92
Давление впрыска
МПа
246
188
158
309
246
188
Скорость впрыска в воздух (ПС)
г/с
80
105
125
64
80
105
Скорость вращения шнека
об/мин
240
Макс. скорость впрыска
мм/сек
143
Ход шнека
мм
144
126
Прочее
Ед.
D210Db m210/m150
Макс. давление насоса
МПа
17.5
Мощность двигателя насоса
кВТ
11
Мощность нагревателей
кВТ
4.5
Вместимость бункера
кг
25
Объем масляного бака
л
300
Вес станка
т
9.5
Размеры станка (ДхШхВ)
м
5,7x1,83x2,2
Чертежи
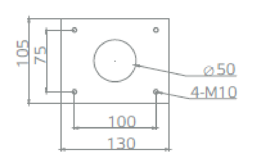
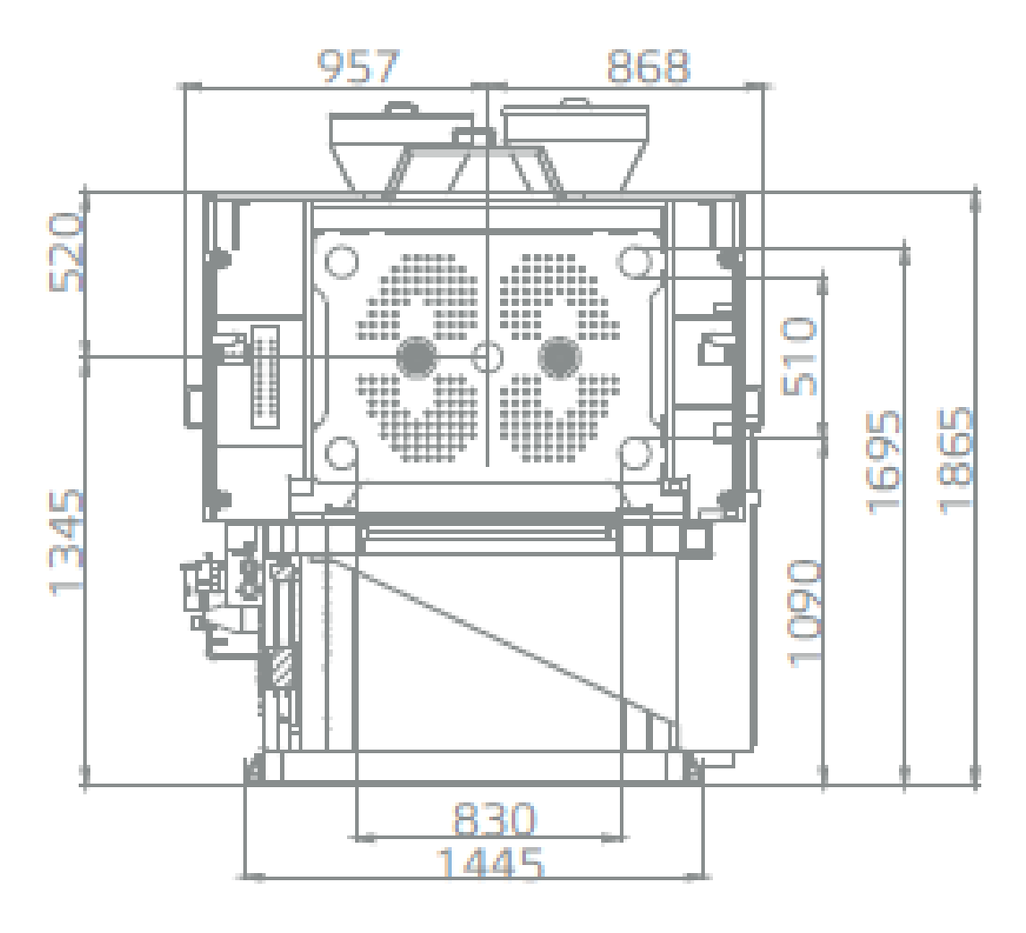
Узел смыкания
Размеры загрузочного бункера
Размеры передней подвижной плиты и поворотного стола
Вид спереди
Установочные размеры бункера на передней неподвижной плите
Установочные размеры робота
Вид сверху
Полезная информация
Похожее оборудование
Всё оборудование
Под заказ
ТПА D210Db m370/m210
Система привода
Гидравлика
Тип смыкания
Коленно-рычажный
Усилие смыкания, т
210
Расстояние между колонн, мм
830x510
Цена по запросу
Заказать
Под заказ
ТПА D210Db m210/m210
Система привода
Гидравлика
Тип смыкания
Коленно-рычажный
Усилие смыкания, т
210
Расстояние между колонн, мм
830x510
Цена по запросу
Заказать
Под заказ
ТПА D210Db m150/m150
Система привода
Гидравлика
Тип смыкания
Коленно-рычажный
Усилие смыкания, т
210
Расстояние между колонн, мм
830x510
Цена по запросу
Заказать
/
Получите консультацию
Заполните форму и наш менеджер свяжется
с вами в ближайшее время
Отправить заявку
Согласен на обработку
персональных данных.
Мы используем cookie, чтобы пользоваться сайтом было удобно.
ОК
Обратный звонок
Оставьте заявку и наш менеджер свяжется с вами в ближайшее время.
Отправить заявку
Согласен на обработку
персональных данных.
Узнать стоимость
Оставьте заявку и наш менеджер свяжется с вами в ближайшее время.
Отправить отзыв
Согласен на обработку
персональных данных.
Запросить каталог
Оставьте заявку и наш менеджер свяжется с вами в ближайшее время.
Отправить отзыв
Согласен на обработку
персональных данных.
Воспользуйтесь выгодными условиями
рассрочки на оборудование Tederic
До 2-х лет рассрочки платежа на любой ТПА! На электрические ТПА 1-й год
без удорожания!
Рассрочка на комплексные решения ТПА + Пресс форма
Отправить заявку
Соглашаюсь с
политикой конфиденциальности
и на получение информационных и рекламных сообщений.
ПОЛУЧАЙТЕ САМЫЕ ИНТЕРЕСНЫЕ
ПРЕДЛОЖЕНИЯ ПЕРВЫМИ!
Далее
Нажимая кнопку «далее», я даю согласие на получение рекламной рассылки и обработку
персональных данных
.
Спасибо за заявку
Ваша заявка успешно отправлена. В ближайшее время с вами свяжется наш менеджер.
Подписка успешна
Спасибо за то, что вы подписались на наши рассылки!
Записаться на курс
Оставьте заявку и наш менеджер свяжется с вами в ближайшее время.
Записаться
Согласен на обработку
персональных данных.
Заказать
ТПА Tederic NEO·E60II
Система привода
Электрика
Тип смыкания
Коленно-рычажный
Усилие смыкания, т
60
Расстояние между колонн
360x320
Цена по запросу
Отправить
Согласен на обработку
персональных данных.
Спасибо за отзыв
Ваш отзыв находится на стадии модерации и скоро будет опубликован. Благодарим за уделенное время.