Каталог
Назад
Система привода
Усилие смыкания
По типу продукции
Серии ТПА
Электрические ТПА
Гидравлические ТПА
60 тонн
90 тонн
120 тонн
160 тонн
200 тонн
400 тонн
500 тонн
800 тонн
1000 тонн
1500 тонн
2000 тонн
3500 тонн
4000 тонн
4500 тонн
Баки
Ящики
Посуда
Стаканчики
Мебель
Контейнеры
Вся продукция
Электрические ТПА
Neo·E II
Электрические ТПА
Neo·H II
Электрические ТПА
Neo·T
Электрические ТПА
Neo·T Lite
Электрические ТПА
Neo·Mv
Электрические ТПА
DREAM·DD
Электрические ТПА
DREAM·DT
Электрические ТПА
Neo·Ms
Перейти к оборудованию
Сервис
Лизинг
Обучение
Пресс-формы
Область применения
О компании
Назад
О компании
Новости
Контакты
Пн-Пт с 9:00 до 18:00
8 (495) 789-55-85
Пн-Пт с 9:00 до 18:00
8 (495) 789-55-85
Главная
Каталог
DREAM·DT
D2400 i22300
ТПА D2400 i22300
Серия ТПА
DREAM·DT
Усилие смыкания
2400 тонн
Система привода
Гидравлика
Тип смыкания
Коленно-рычажный
Система управления
Techmation/Keba
Производимая продукция:
Ведра
Ящики
Коробки
Фасадные панели
Мебель
Все теги
Заказать
Купить в лизинг
Характеристики
Чертежи
Полезная информация
Характеристики
Узел смыкания
Ед.
D2400 i22300
Усилие смыкания
т
2400
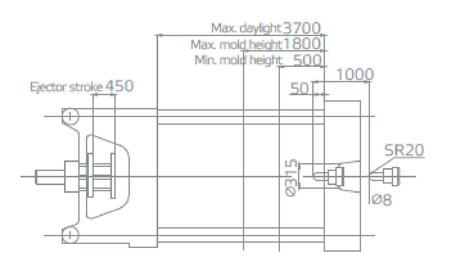
Ход открытия формы
мм
1900
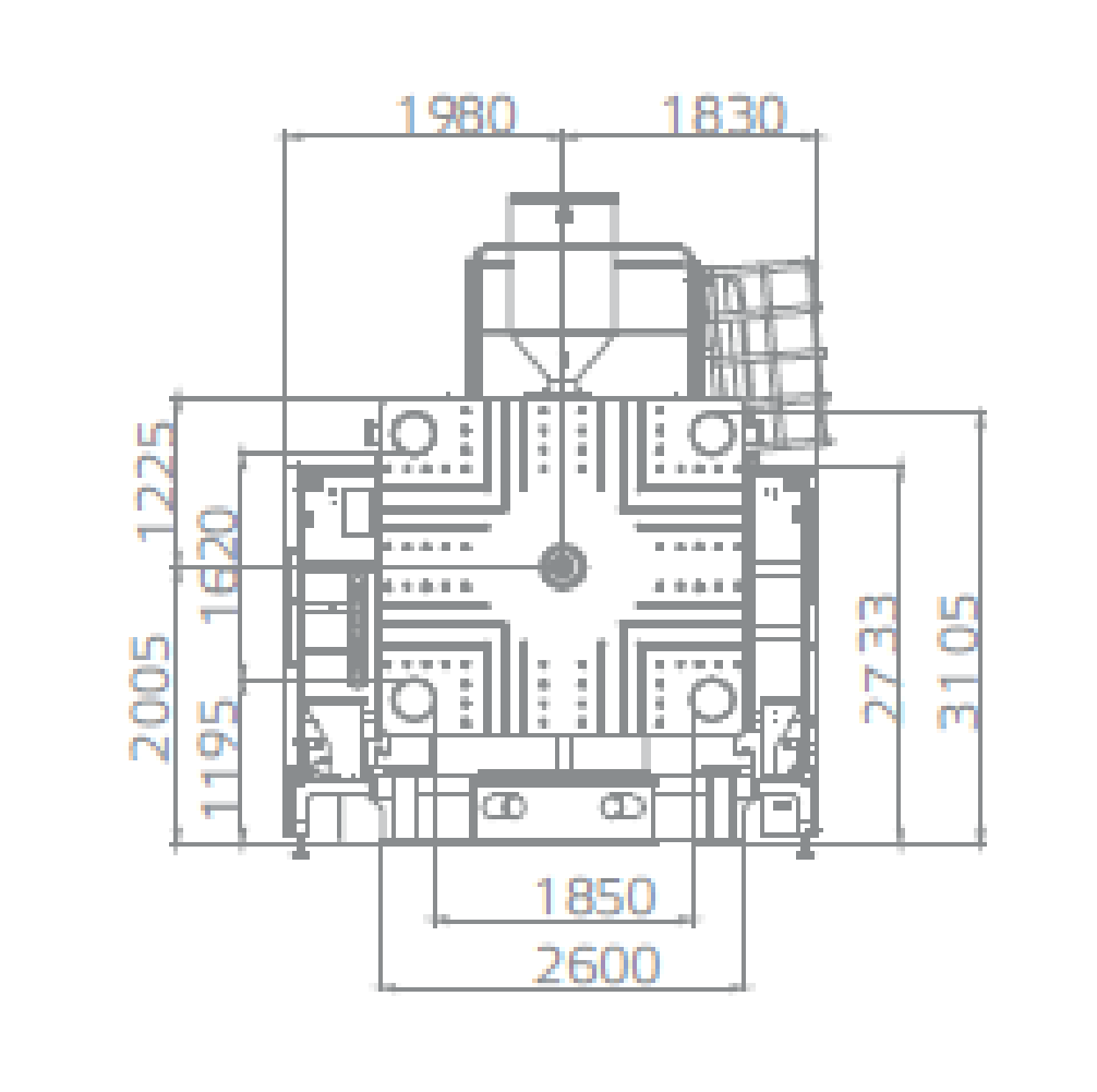
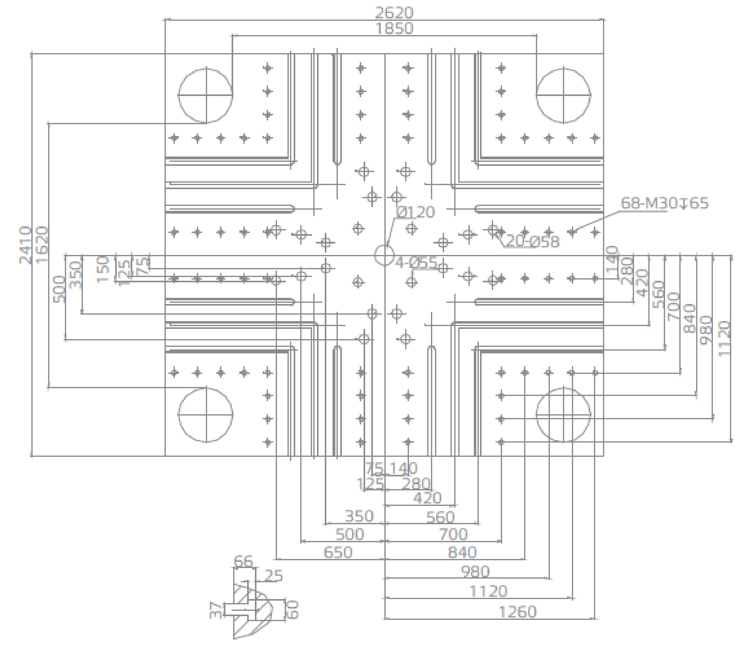
Расстояние между колонн
мм
1850x1620
Макс. высота пресс-формы
мм
1800
Мин. высота пресс-формы
мм
500
Мин. размер пресс-формы
мм
1295x1134
Размеры плиты (ВxД)
мм
2620x2410
Ход толкателя
мм
150
Усилие толкателя
кН
606
Кол-во толкателей
шт
21
Макс. просвет
мм
3700
Узел впрыска
Ед.
i22300
A
B
C
D
Диаметр шнека
мм
140
150
160
170
Объем впрыска (теор.)
см³
10576
12140
13813
15594
Масса впрыска (ПС)
г
9624
11048
12570
14190
Давление впрыска
МПа
216
188.1
165.3
146.5
Скорость впрыска в воздух (ПС)
г/с
1131
1298
1478
1668
Скорость вращения шнека
об/мин
99
Макс. скорость впрыска
мм/сек
81
Ход шнека
мм
687
Диаметр шнека
мм
140
150
160
170
Объем впрыска (теор.)
см³
10576
12140
13813
15594
Масса впрыска (ПС)
г
9624
11048
12570
14190
Давление впрыска
МПа
216
188.1
165.3
146.5
Скорость впрыска в воздух (ПС)
г/с
1131
1298
1478
1668
Скорость вращения шнека
об/мин
99
Макс. скорость впрыска
мм/сек
81
Ход шнека
мм
687
Диаметр шнека
мм
140
150
160
170
Объем впрыска (теор.)
см³
10576
12140
13813
15594
Масса впрыска (ПС)
г
9624
11048
12570
14190
Давление впрыска
МПа
216
188.1
165.3
146.5
Скорость впрыска в воздух (ПС)
г/с
1131
1298
1478
1668
Скорость вращения шнека
об/мин
99
Макс. скорость впрыска
мм/сек
81
Ход шнека
мм
687
Диаметр шнека
мм
140
150
160
170
Объем впрыска (теор.)
см³
10576
12140
13813
15594
Масса впрыска (ПС)
г
9624
11048
12570
14190
Давление впрыска
МПа
216
188.1
165.3
146.5
Скорость впрыска в воздух (ПС)
г/с
1131
1298
1478
1668
Скорость вращения шнека
об/мин
99
Макс. скорость впрыска
мм/сек
81
Ход шнека
мм
687
Прочее
Ед.
D2400 i22300
Макс. давление насоса
МПа
18.5
Мощность двигателя насоса
кВТ
61x2+51
Мощность нагревателей
кВТ
146
Вместимость бункера
кг
200
Объем масляного бака
л
1800
Вес станка
т
157
Размеры станка (ДхШхВ)
м
16,8x4,02x4,84
Чертежи
Узел смыкания
Размеры загрузочного бункера
Вид спереди
Размеры подвижной плиты и сетки отверстий
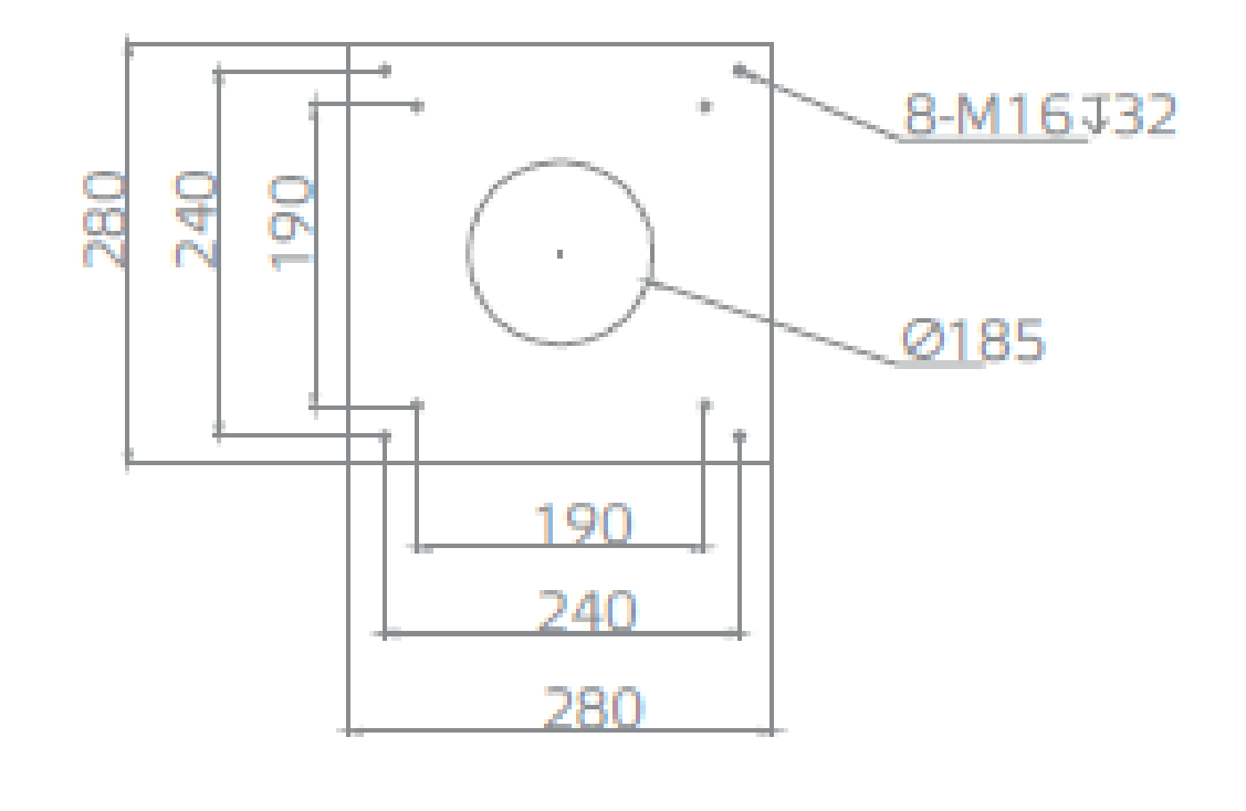
Установочные размеры бункера на передней неподвижной плите
Установочные размеры робота
Вид сверху
Полезная информация
Похожее оборудование
Всё оборудование
Под заказ
ТПА D2400 i41000
Система привода
Гидравлика
Тип смыкания
Коленно-рычажный
Усилие смыкания, т
2400
Расстояние между колонн, мм
1850x1620
Цена по запросу
Заказать
Под заказ
ТПА NEO-H2400 i41000
Система привода
Гидравлика
Тип смыкания
Двухплитный
Усилие смыкания, т
2400
Расстояние между колонн, мм
2020x1620
Цена по запросу
Заказать
Под заказ
ТПА NEO-H2400 i22300
Система привода
Гидравлика
Тип смыкания
Двухплитный
Усилие смыкания, т
2400
Расстояние между колонн, мм
2020x1620
Цена по запросу
Заказать
/
Получите консультацию
Заполните форму и наш менеджер свяжется
с вами в ближайшее время
Отправить заявку
Согласен на обработку
персональных данных.
Мы используем cookie, чтобы пользоваться сайтом было удобно.
ОК
Обратный звонок
Оставьте заявку и наш менеджер свяжется с вами в ближайшее время.
Отправить заявку
Согласен на обработку
персональных данных.
Узнать стоимость
Оставьте заявку и наш менеджер свяжется с вами в ближайшее время.
Отправить отзыв
Согласен на обработку
персональных данных.
Запросить каталог
Оставьте заявку и наш менеджер свяжется с вами в ближайшее время.
Отправить отзыв
Согласен на обработку
персональных данных.
Воспользуйтесь выгодными условиями
рассрочки на оборудование Tederic
До 2-х лет рассрочки платежа на любой ТПА! На электрические ТПА 1-й год
без удорожания!
Рассрочка на комплексные решения ТПА + Пресс форма
Отправить заявку
Соглашаюсь с
политикой конфиденциальности
и на получение информационных и рекламных сообщений.
ПОЛУЧАЙТЕ САМЫЕ ИНТЕРЕСНЫЕ
ПРЕДЛОЖЕНИЯ ПЕРВЫМИ!
Далее
Нажимая кнопку «далее», я даю согласие на получение рекламной рассылки и обработку
персональных данных
.
Спасибо за заявку
Ваша заявка успешно отправлена. В ближайшее время с вами свяжется наш менеджер.
Подписка успешна
Спасибо за то, что вы подписались на наши рассылки!
Записаться на курс
Оставьте заявку и наш менеджер свяжется с вами в ближайшее время.
Записаться
Согласен на обработку
персональных данных.
Заказать
ТПА Tederic NEO·E60II
Система привода
Электрика
Тип смыкания
Коленно-рычажный
Усилие смыкания, т
60
Расстояние между колонн
360x320
Цена по запросу
Отправить
Согласен на обработку
персональных данных.
Спасибо за отзыв
Ваш отзыв находится на стадии модерации и скоро будет опубликован. Благодарим за уделенное время.