Каталог
Назад
Система привода
Усилие смыкания
По типу продукции
Серии ТПА
Электрические ТПА
Гидравлические ТПА
60 тонн
90 тонн
120 тонн
160 тонн
200 тонн
400 тонн
500 тонн
800 тонн
1000 тонн
1500 тонн
2000 тонн
3500 тонн
4000 тонн
4500 тонн
Баки
Ящики
Посуда
Стаканчики
Мебель
Контейнеры
Вся продукция
Электрические ТПА
Neo·E II
Электрические ТПА
Neo·H II
Электрические ТПА
Neo·T
Электрические ТПА
Neo·T Lite
Электрические ТПА
Neo·Mv
Электрические ТПА
DREAM·DD
Электрические ТПА
DREAM·DT
Электрические ТПА
Neo·Ms
Перейти к оборудованию
Сервис
Лизинг
Обучение
Пресс-формы
Область применения
О компании
Назад
О компании
Новости
Контакты
Пн-Пт с 9:00 до 18:00
8 (495) 789-55-85
Пн-Пт с 9:00 до 18:00
8 (495) 789-55-85
Главная
Каталог
DREAM·DT
D2800 i66600
ТПА D2800 i66600
Серия ТПА
DREAM·DT
Усилие смыкания
2800 тонн
Система привода
Гидравлика
Тип смыкания
Коленно-рычажный
Система управления
Techmation/Keba
Производимая продукция:
Ведра
Ящики
Коробки
Фасадные панели
Мебель
Все теги
Заказать
Купить в лизинг
Характеристики
Чертежи
Полезная информация
Характеристики
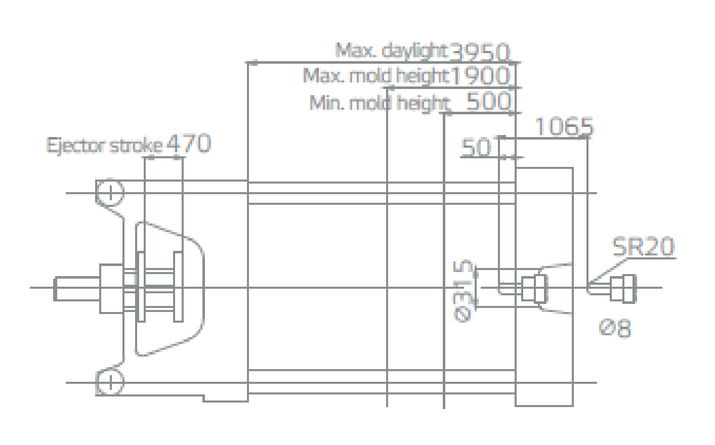
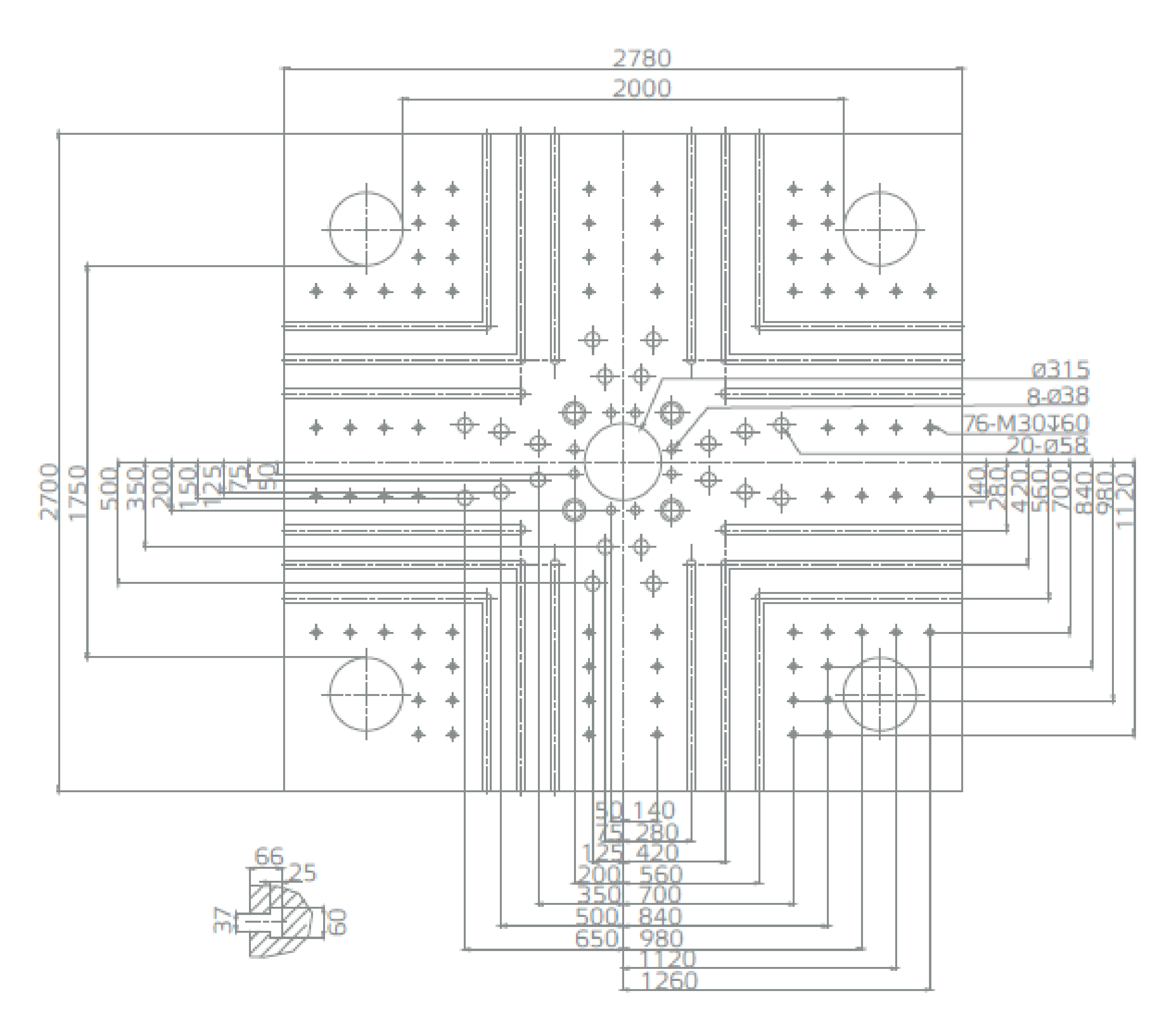
Узел смыкания
Ед.
D2800 i66600
Усилие смыкания
т
2800
Ход открытия формы
мм
2050
Расстояние между колонн
мм
2000x1750
Макс. высота пресс-формы
мм
1900
Мин. высота пресс-формы
мм
500
Мин. размер пресс-формы
мм
1400x1225
Размеры плиты (ВxД)
мм
2780x2700
Ход толкателя
мм
470
Усилие толкателя
кН
554
Кол-во толкателей
шт
29
Макс. просвет
мм
3950
Узел впрыска
Ед.
i66600
A
B
C
D
Диаметр шнека
мм
200
220
230
Объем впрыска (теор.)
см³
39553
43607
47859
52308
Масса впрыска (ПС)
г
35993
39682
43552
47600
Давление впрыска
МПа
187.2
169.8
154.7
141.5
Скорость впрыска в воздух (ПС)
г/с
1751
1931
2119
2316
Скорость вращения шнека
об/мин
62
Макс. скорость впрыска
мм/сек
62
Ход шнека
мм
1259
Диаметр шнека
мм
200
220
230
Объем впрыска (теор.)
см³
39553
43607
47859
52308
Масса впрыска (ПС)
г
35993
39682
43552
47600
Давление впрыска
МПа
187.2
169.8
154.7
141.5
Скорость впрыска в воздух (ПС)
г/с
1751
1931
2119
2316
Скорость вращения шнека
об/мин
62
Макс. скорость впрыска
мм/сек
62
Ход шнека
мм
1259
Диаметр шнека
мм
200
220
230
Объем впрыска (теор.)
см³
39553
43607
47859
52308
Масса впрыска (ПС)
г
35993
39682
43552
47600
Давление впрыска
МПа
187.2
169.8
154.7
141.5
Скорость впрыска в воздух (ПС)
г/с
1751
1931
2119
2316
Скорость вращения шнека
об/мин
62
Макс. скорость впрыска
мм/сек
62
Ход шнека
мм
1259
Диаметр шнека
мм
200
220
230
Объем впрыска (теор.)
см³
39553
43607
47859
52308
Масса впрыска (ПС)
г
35993
39682
43552
47600
Давление впрыска
МПа
187.2
169.8
154.7
141.5
Скорость впрыска в воздух (ПС)
г/с
1751
1931
2119
2316
Скорость вращения шнека
об/мин
62
Макс. скорость впрыска
мм/сек
62
Ход шнека
мм
1259
Прочее
Ед.
D2800 i66600
Макс. давление насоса
МПа
17.5
Мощность двигателя насоса
кВТ
61x2+40x3
Мощность нагревателей
кВТ
232
Вместимость бункера
кг
400
Объем масляного бака
л
2600
Вес станка
т
228
Размеры станка (ДхШхВ)
м
22,3x4,2x4,8
Чертежи
Узел смыкания
Размеры загрузочного бункера
Вид спереди
Размеры подвижной плиты и сетки отверстий
Установочные размеры бункера на передней неподвижной плите
Установочные размеры робота
Вид сверху
Полезная информация
Получите консультацию
Заполните форму и наш менеджер свяжется
с вами в ближайшее время
Отправить заявку
Согласен на обработку
персональных данных.
Мы используем cookie, чтобы пользоваться сайтом было удобно.
ОК
Обратный звонок
Оставьте заявку и наш менеджер свяжется с вами в ближайшее время.
Отправить заявку
Согласен на обработку
персональных данных.
Узнать стоимость
Оставьте заявку и наш менеджер свяжется с вами в ближайшее время.
Отправить отзыв
Согласен на обработку
персональных данных.
Запросить каталог
Оставьте заявку и наш менеджер свяжется с вами в ближайшее время.
Отправить отзыв
Согласен на обработку
персональных данных.
Воспользуйтесь выгодными условиями
рассрочки на оборудование Tederic
До 2-х лет рассрочки платежа на любой ТПА! На электрические ТПА 1-й год
без удорожания!
Рассрочка на комплексные решения ТПА + Пресс форма
Отправить заявку
Соглашаюсь с
политикой конфиденциальности
и на получение информационных и рекламных сообщений.
ПОЛУЧАЙТЕ САМЫЕ ИНТЕРЕСНЫЕ
ПРЕДЛОЖЕНИЯ ПЕРВЫМИ!
Далее
Нажимая кнопку «далее», я даю согласие на получение рекламной рассылки и обработку
персональных данных
.
Спасибо за заявку
Ваша заявка успешно отправлена. В ближайшее время с вами свяжется наш менеджер.
Подписка успешна
Спасибо за то, что вы подписались на наши рассылки!
Записаться на курс
Оставьте заявку и наш менеджер свяжется с вами в ближайшее время.
Записаться
Согласен на обработку
персональных данных.
Заказать
ТПА Tederic NEO·E60II
Система привода
Электрика
Тип смыкания
Коленно-рычажный
Усилие смыкания, т
60
Расстояние между колонн
360x320
Цена по запросу
Отправить
Согласен на обработку
персональных данных.
Спасибо за отзыв
Ваш отзыв находится на стадии модерации и скоро будет опубликован. Благодарим за уделенное время.