Каталог
Назад
Система привода
Усилие смыкания
По типу продукции
Серии ТПА
Электрические ТПА
Гидравлические ТПА
60 тонн
90 тонн
120 тонн
160 тонн
200 тонн
400 тонн
500 тонн
800 тонн
1000 тонн
1500 тонн
2000 тонн
3500 тонн
4000 тонн
4500 тонн
Баки
Ящики
Посуда
Стаканчики
Мебель
Контейнеры
Вся продукция
Электрические ТПА
Neo·E II
Электрические ТПА
Neo·H II
Электрические ТПА
Neo·T
Электрические ТПА
Neo·T Lite
Электрические ТПА
Neo·Mv
Электрические ТПА
DREAM·DD
Электрические ТПА
DREAM·DT
Электрические ТПА
Neo·Ms
Перейти к оборудованию
Сервис
Лизинг
Обучение
Пресс-формы
Область применения
О компании
Назад
О компании
Новости
Контакты
Пн-Пт с 9:00 до 18:00
8 (495) 789-55-85
Пн-Пт с 9:00 до 18:00
8 (495) 789-55-85
Главная
Каталог
DREAM·DT
D350 i1900
ТПА D350 i1900
Серия ТПА
DREAM·DT
Усилие смыкания
350 тонн
Система привода
Гидравлика
Тип смыкания
Коленно-рычажный
Система управления
Techmation/Keba
Производимая продукция:
Ведра
Ящики
Коробки
Фасадные панели
Мебель
Все теги
Заказать
Купить в лизинг
Характеристики
Чертежи
Полезная информация
Характеристики
Узел смыкания
Ед.
D350 i1900
Усилие смыкания
т
350
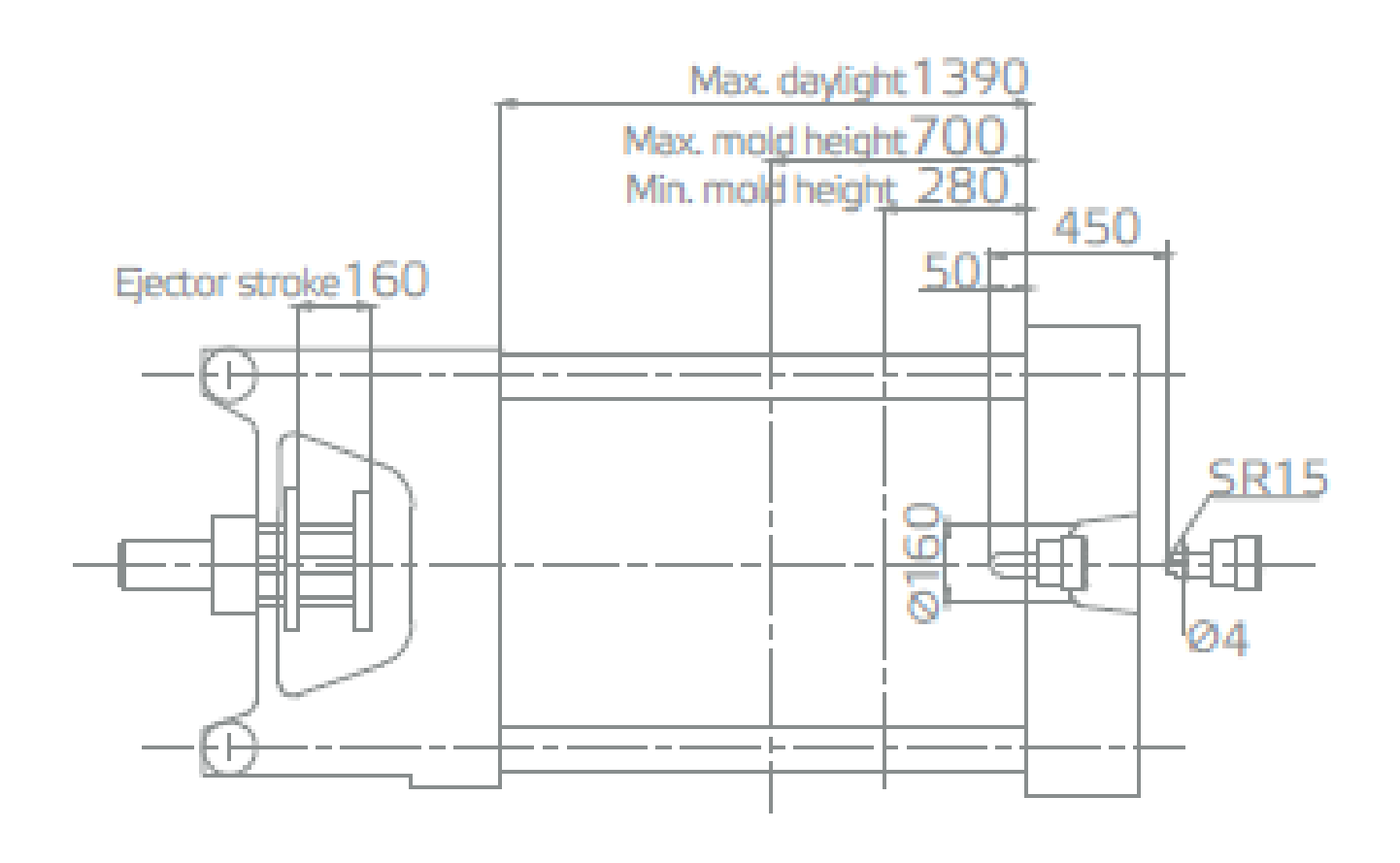
Ход открытия формы
мм
690
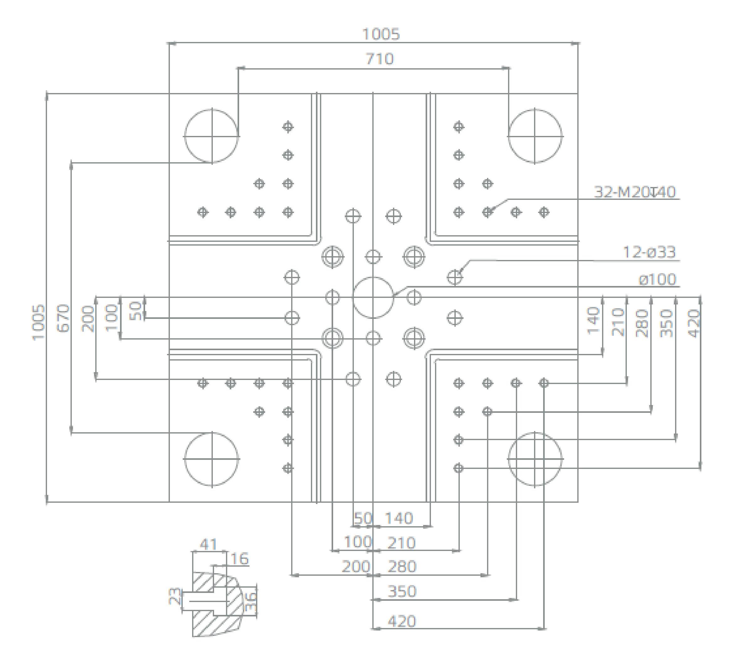
Расстояние между колонн
мм
710x670
Макс. высота пресс-формы
мм
700
Мин. высота пресс-формы
мм
280
Мин. размер пресс-формы
мм
476x476
Размеры плиты (ВxД)
мм
1005x1005
Ход толкателя
мм
160
Усилие толкателя
кН
67
Кол-во толкателей
шт
13
Макс. просвет
мм
1390
Узел впрыска
Ед.
i1900
A
B
C
Диаметр шнека
мм
60
65
70
Объем впрыска (теор.)
см³
845
992
1151
Масса впрыска (ПС)
г
769
903
1047
Давление впрыска
МПа
226
193
166
Скорость впрыска в воздух (ПС)
г/с
245/284
288/334
334/387
Скорость вращения шнека
об/мин
195
Макс. скорость впрыска
мм/сек
95/110
Ход шнека
мм
299
Диаметр шнека
мм
60
65
70
Объем впрыска (теор.)
см³
845
992
1151
Масса впрыска (ПС)
г
769
903
1047
Давление впрыска
МПа
226
193
166
Скорость впрыска в воздух (ПС)
г/с
245/284
288/334
334/387
Скорость вращения шнека
об/мин
195
Макс. скорость впрыска
мм/сек
95/110
Ход шнека
мм
299
Диаметр шнека
мм
60
65
70
Объем впрыска (теор.)
см³
845
992
1151
Масса впрыска (ПС)
г
769
903
1047
Давление впрыска
МПа
226
193
166
Скорость впрыска в воздух (ПС)
г/с
245/284
288/334
334/387
Скорость вращения шнека
об/мин
195
Макс. скорость впрыска
мм/сек
95/110
Ход шнека
мм
299
Прочее
Ед.
D350 i1900
Макс. давление насоса
МПа
17.5
Мощность двигателя насоса
кВТ
40/51
Мощность нагревателей
кВТ
25/31
Вместимость бункера
кг
50
Объем масляного бака
л
445
Вес станка
т
11.7
Размеры станка (ДхШхВ)
м
6,72x1,88x2,36
Чертежи
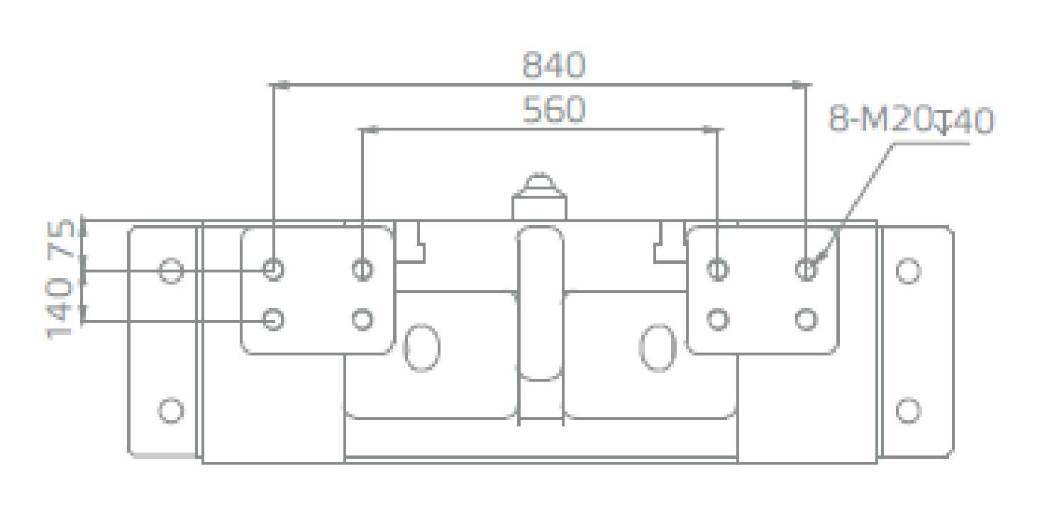
Узел смыкания
Размеры загрузочного бункера
Вид спереди
Размеры подвижной плиты и сетки отверстий
Установочные размеры бункера на передней неподвижной плите
Установочные размеры робота
Вид сверху
Полезная информация
Получите консультацию
Заполните форму и наш менеджер свяжется
с вами в ближайшее время
Отправить заявку
Согласен на обработку
персональных данных.
Мы используем cookie, чтобы пользоваться сайтом было удобно.
ОК
Обратный звонок
Оставьте заявку и наш менеджер свяжется с вами в ближайшее время.
Отправить заявку
Согласен на обработку
персональных данных.
Узнать стоимость
Оставьте заявку и наш менеджер свяжется с вами в ближайшее время.
Отправить отзыв
Согласен на обработку
персональных данных.
Запросить каталог
Оставьте заявку и наш менеджер свяжется с вами в ближайшее время.
Отправить отзыв
Согласен на обработку
персональных данных.
Воспользуйтесь выгодными условиями
рассрочки на оборудование Tederic
До 2-х лет рассрочки платежа на любой ТПА! На электрические ТПА 1-й год
без удорожания!
Рассрочка на комплексные решения ТПА + Пресс форма
Отправить заявку
Соглашаюсь с
политикой конфиденциальности
и на получение информационных и рекламных сообщений.
ПОЛУЧАЙТЕ САМЫЕ ИНТЕРЕСНЫЕ
ПРЕДЛОЖЕНИЯ ПЕРВЫМИ!
Далее
Нажимая кнопку «далее», я даю согласие на получение рекламной рассылки и обработку
персональных данных
.
Спасибо за заявку
Ваша заявка успешно отправлена. В ближайшее время с вами свяжется наш менеджер.
Подписка успешна
Спасибо за то, что вы подписались на наши рассылки!
Записаться на курс
Оставьте заявку и наш менеджер свяжется с вами в ближайшее время.
Записаться
Согласен на обработку
персональных данных.
Заказать
ТПА Tederic NEO·E60II
Система привода
Электрика
Тип смыкания
Коленно-рычажный
Усилие смыкания, т
60
Расстояние между колонн
360x320
Цена по запросу
Отправить
Согласен на обработку
персональных данных.
Спасибо за отзыв
Ваш отзыв находится на стадии модерации и скоро будет опубликован. Благодарим за уделенное время.