Каталог
Назад
Система привода
Усилие смыкания
По типу продукции
Серии ТПА
Электрические ТПА
Гидравлические ТПА
60 тонн
90 тонн
120 тонн
160 тонн
200 тонн
400 тонн
500 тонн
800 тонн
1000 тонн
1500 тонн
2000 тонн
3500 тонн
4000 тонн
4500 тонн
Баки
Ящики
Посуда
Стаканчики
Мебель
Контейнеры
Вся продукция
Neo·E II
Электрические ТПА
Neo·H II
Двухплитные ТПА
Neo·T
Универсальные гидравлические ТПА с КРМ
Neo·T Lite
Гидравлические ТПА с КРМ
Neo·Mv
Многокомпонентные ТПА (вертикальный поворотный стол)
DREAM·DD
Многокомпонентные ТПА
DREAM·DT
Гидравлические ТПА с КРМ
Neo·Ms
Многокомпонентные ТПА (горизонтальный поворотный стол)
Перейти к оборудованию
Сервис
Лизинг
Обучение
Пресс-формы
Область применения
Новости
О компании
Назад
О компании
Новости
Контакты
Пн-Пт с 9:00 до 18:00
8 (495) 789-55-85
Пн-Пт с 9:00 до 18:00
8 (495) 789-55-85
Главная
Каталог
DREAM·DT
D400 i2500
ТПА D400 i2500
Серия ТПА
DREAM·DT
Усилие смыкания
400 тонн
Система привода
Гидравлика
Тип смыкания
Коленно-рычажный
Система управления
Techmation/Keba
Производимая продукция:
Ведра
Ящики
Коробки
Фасадные панели
Мебель
Все теги
Заказать
Купить в лизинг
Характеристики
Чертежи
Полезная информация
Характеристики
Узел смыкания
Ед.
D400 i2500
Усилие смыкания
т
400
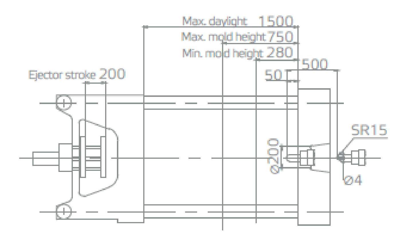
Ход открытия формы
мм
750
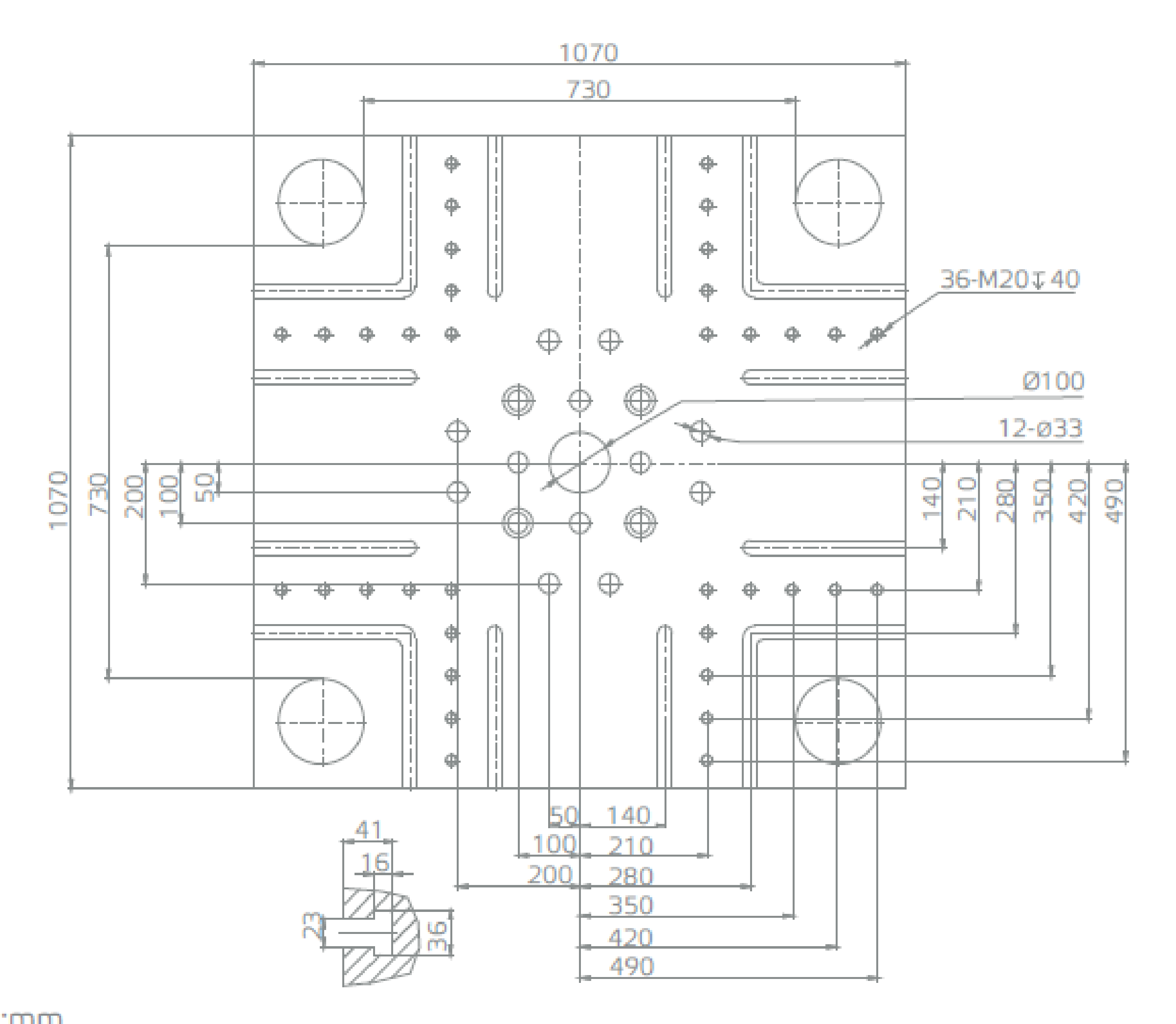
Расстояние между колонн
мм
730x730
Макс. высота пресс-формы
мм
750
Мин. высота пресс-формы
мм
280
Мин. размер пресс-формы
мм
511x511
Размеры плиты (ВxД)
мм
1070x1070
Ход толкателя
мм
200
Усилие толкателя
кН
124
Кол-во толкателей
шт
13
Макс. просвет
мм
1500
Узел впрыска
Ед.
i2500
A
B
C
Диаметр шнека
мм
65
70
75
Объем впрыска (теор.)
см³
1161
1347
1546
Масса впрыска (ПС)
г
1057
1226
1407
Давление впрыска
МПа
222
191
167
Скорость впрыска в воздух (ПС)
г/с
250/296
290/343
333/394
Скорость вращения шнека
об/мин
152
Макс. скорость впрыска
мм/сек
83/98
Ход шнека
мм
350
Диаметр шнека
мм
65
70
75
Объем впрыска (теор.)
см³
1161
1347
1546
Масса впрыска (ПС)
г
1057
1226
1407
Давление впрыска
МПа
222
191
167
Скорость впрыска в воздух (ПС)
г/с
250/296
290/343
333/394
Скорость вращения шнека
об/мин
152
Макс. скорость впрыска
мм/сек
83/98
Ход шнека
мм
350
Диаметр шнека
мм
65
70
75
Объем впрыска (теор.)
см³
1161
1347
1546
Масса впрыска (ПС)
г
1057
1226
1407
Давление впрыска
МПа
222
191
167
Скорость впрыска в воздух (ПС)
г/с
250/296
290/343
333/394
Скорость вращения шнека
об/мин
152
Макс. скорость впрыска
мм/сек
83/98
Ход шнека
мм
350
Прочее
Ед.
D400 i2500
Макс. давление насоса
МПа
17.5
Мощность двигателя насоса
кВТ
40/51
Мощность нагревателей
кВТ
26/33
Вместимость бункера
кг
50
Объем масляного бака
л
535
Вес станка
т
15.5
Размеры станка (ДхШхВ)
м
7,88x1,98x2,55
Чертежи
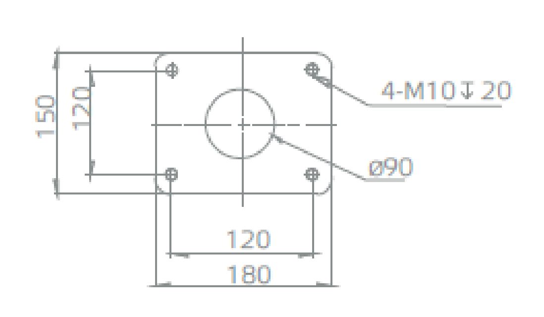
Узел смыкания
Размеры загрузочного бункера
Вид спереди
Размеры подвижной плиты и сетки отверстий
Установочные размеры бункера на передней неподвижной плите
Установочные размеры робота
Вид сверху
Полезная информация
Похожее оборудование
Всё оборудование
Под заказ
ТПА NEO T 400 i2500 lite
Система привода
Гидравлика
Тип смыкания
Коленно-рычажный
Усилие смыкания, т
400
Расстояние между колонн, мм
760x710
Цена по запросу
Заказать
Под заказ
ТПА NEO T 400 i2500
Система привода
Гидравлика
Тип смыкания
Коленно-рычажный
Усилие смыкания, т
400
Расстояние между колонн, мм
760x710
Цена по запросу
Заказать
/
Получите консультацию
Заполните форму и наш менеджер свяжется
с вами в ближайшее время
Отправить заявку
Согласен на обработку
персональных данных.
Мы используем cookie, чтобы пользоваться сайтом было удобно.
ОК
Обратный звонок
Оставьте заявку и наш менеджер свяжется с вами в ближайшее время.
Отправить заявку
Согласен на обработку
персональных данных.
Узнать стоимость
Оставьте заявку и наш менеджер свяжется с вами в ближайшее время.
Отправить отзыв
Согласен на обработку
персональных данных.
Запросить каталог
Оставьте заявку и наш менеджер свяжется с вами в ближайшее время.
Отправить отзыв
Согласен на обработку
персональных данных.
Воспользуйтесь выгодными условиями
рассрочки на оборудование Tederic
До 2-х лет рассрочки платежа на любой ТПА!
Сниженные цены на оборудование со склада - отправка до двух дней.
Отправить заявку
Соглашаюсь с
политикой конфиденциальности
и на получение информационных и рекламных сообщений.
ПОЛУЧАЙТЕ САМЫЕ ИНТЕРЕСНЫЕ
ПРЕДЛОЖЕНИЯ ПЕРВЫМИ!
Далее
Нажимая кнопку «далее», я даю согласие на получение рекламной рассылки и обработку
персональных данных
.
Спасибо за заявку
Ваша заявка успешно отправлена. В ближайшее время с вами свяжется ваш персональный менеджер.
Подписка успешна
Теперь вы будете получать новости Tederic первыми!
Записаться на курс
Оставьте заявку и наш менеджер свяжется с вами в ближайшее время.
Записаться
Согласен на обработку
персональных данных.
Заказать
ТПА Tederic NEO·E60II
Система привода
Электрика
Тип смыкания
Коленно-рычажный
Усилие смыкания, т
60
Расстояние между колонн
360x320
Цена по запросу
Отправить
Согласен на обработку
персональных данных.
Спасибо за ваш отзыв
Ваш отзыв находится на стадии модерации и скоро будет опубликован. Благодарим за уделенное время!