Каталог
Назад
Система привода
Усилие смыкания
По типу продукции
Серии ТПА
Электрические ТПА
Гидравлические ТПА
60 тонн
90 тонн
120 тонн
160 тонн
200 тонн
400 тонн
500 тонн
800 тонн
1000 тонн
1500 тонн
2000 тонн
3500 тонн
4000 тонн
4500 тонн
Баки
Ящики
Посуда
Стаканчики
Мебель
Контейнеры
Вся продукция
Электрические ТПА
Neo·E II
Электрические ТПА
Neo·H II
Электрические ТПА
Neo·T
Электрические ТПА
Neo·T Lite
Электрические ТПА
Neo·Mv
Электрические ТПА
DREAM·DD
Электрические ТПА
DREAM·DT
Электрические ТПА
Neo·Ms
Перейти к оборудованию
Сервис
Лизинг
Обучение
Пресс-формы
Область применения
О компании
Назад
О компании
Новости
Контакты
Пн-Пт с 9:00 до 18:00
8 (495) 789-55-85
Пн-Пт с 9:00 до 18:00
8 (495) 789-55-85
Главная
Каталог
DREAM·DT
D800 i7500
ТПА D800 i7500
Серия ТПА
DREAM·DT
Усилие смыкания
800 тонн
Система привода
Гидравлика
Тип смыкания
Коленно-рычажный
Система управления
Techmation/Keba
Производимая продукция:
Ведра
Ящики
Коробки
Фасадные панели
Мебель
Все теги
Заказать
Купить в лизинг
Характеристики
Чертежи
Полезная информация
Характеристики
Узел смыкания
Ед.
D800 i7500
Усилие смыкания
т
800
Ход открытия формы
мм
1050
Расстояние между колонн
мм
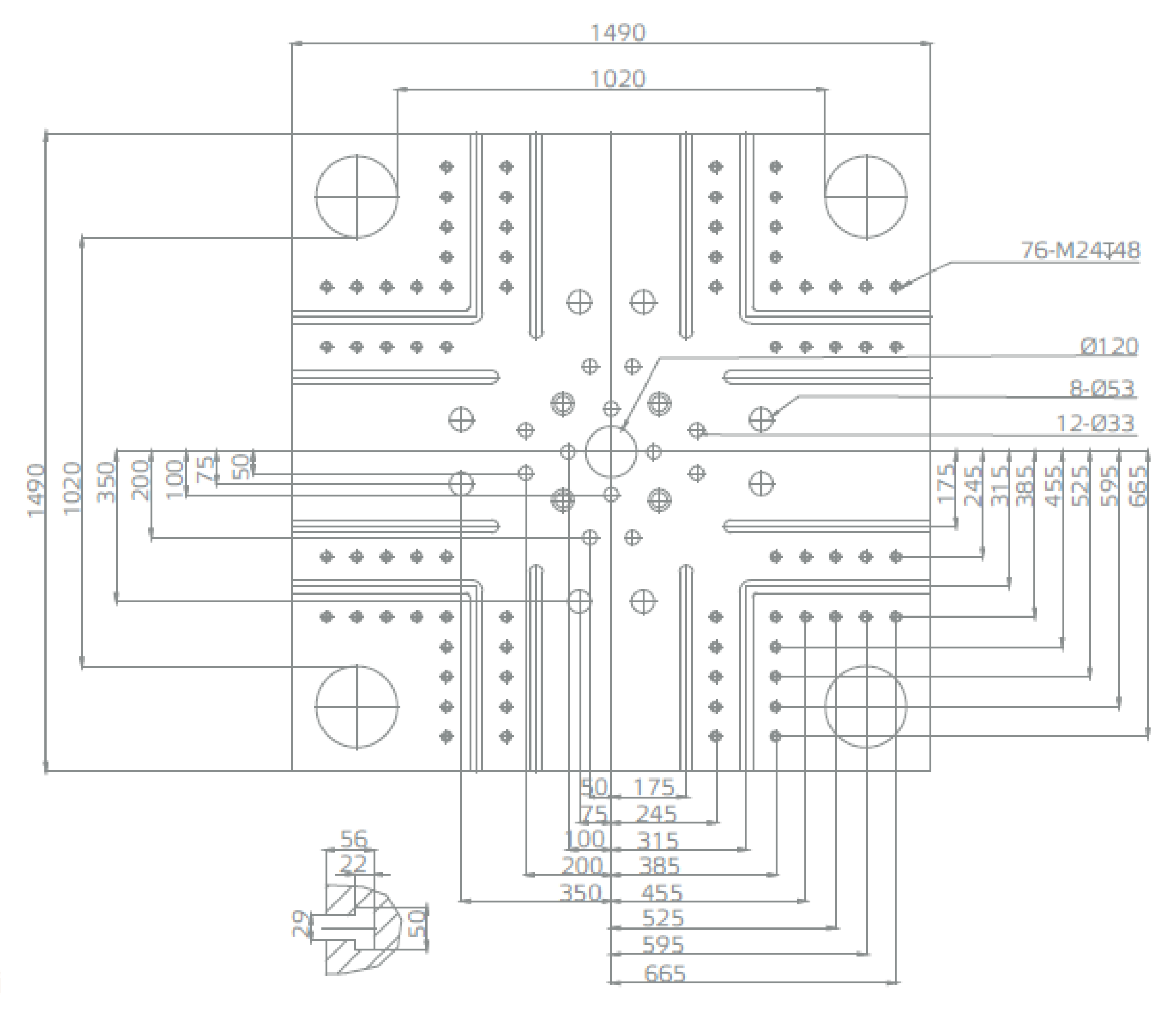
1020x1020
Макс. высота пресс-формы
мм
1020
Мин. высота пресс-формы
мм
450
Мин. размер пресс-формы
мм
714x714
Размеры плиты (ВxД)
мм
1490x1490
Ход толкателя
мм
300
Усилие толкателя
кН
182
Кол-во толкателей
шт
21
Макс. просвет
мм
2070
Узел впрыска
Ед.
i7500
A
B
C
Диаметр шнека
мм
90
100
110
Объем впрыска (теор.)
см³
3276
4045
4894
Масса впрыска (ПС)
г
2981
3681
4454
Давление впрыска
МПа
231.1
187.2
154.7
Скорость впрыска в воздух (ПС)
г/с
513/633
633/781
766/945
Скорость вращения шнека
об/мин
108
Макс. скорость впрыска
мм/сек
89/109
Ход шнека
мм
515
Диаметр шнека
мм
90
100
110
Объем впрыска (теор.)
см³
3276
4045
4894
Масса впрыска (ПС)
г
2981
3681
4454
Давление впрыска
МПа
231.1
187.2
154.7
Скорость впрыска в воздух (ПС)
г/с
513/633
633/781
766/945
Скорость вращения шнека
об/мин
108
Макс. скорость впрыска
мм/сек
89/109
Ход шнека
мм
515
Диаметр шнека
мм
90
100
110
Объем впрыска (теор.)
см³
3276
4045
4894
Масса впрыска (ПС)
г
2981
3681
4454
Давление впрыска
МПа
231.1
187.2
154.7
Скорость впрыска в воздух (ПС)
г/с
513/633
633/781
766/945
Скорость вращения шнека
об/мин
108
Макс. скорость впрыска
мм/сек
89/109
Ход шнека
мм
515
Прочее
Ед.
D800 i7500
Макс. давление насоса
МПа
17.5
Мощность двигателя насоса
кВТ
61+25/61+25
Мощность нагревателей
кВТ
56/69
Вместимость бункера
кг
100
Объем масляного бака
л
980
Вес станка
т
35
Размеры станка (ДхШхВ)
м
10,77x2,22x2,89
Чертежи
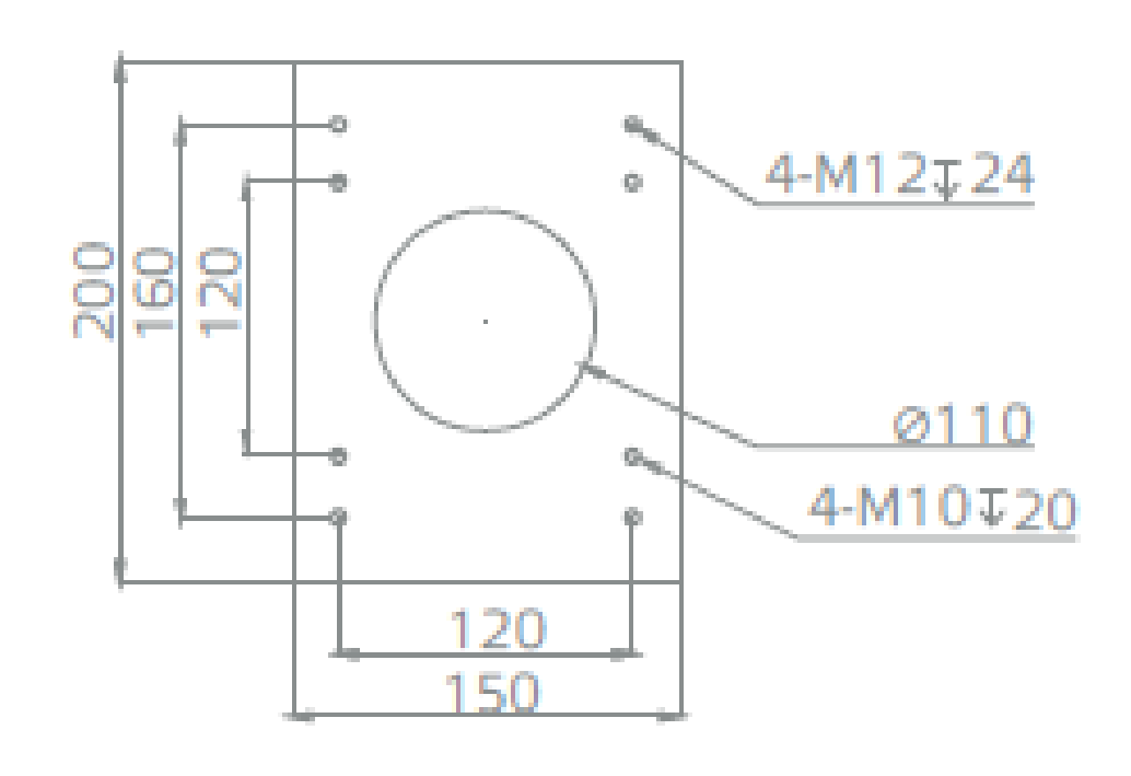
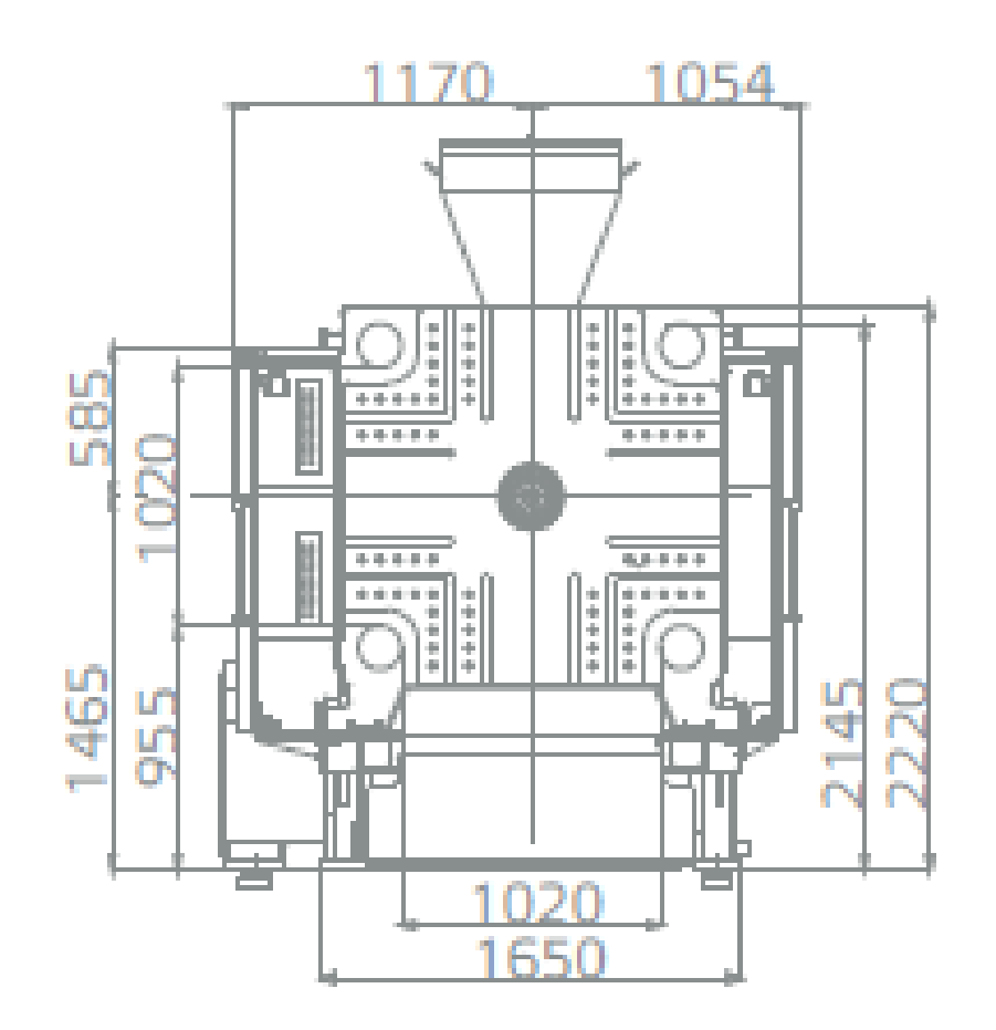
Узел смыкания
Размеры загрузочного бункера
Вид спереди
Размеры подвижной плиты и сетки отверстий
Установочные размеры бункера на передней неподвижной плите
Установочные размеры робота
Вид сверху
Полезная информация
Похожее оборудование
Всё оборудование
Под заказ
ТПА NEO T 800 i7500 lite
Система привода
Гидравлика
Тип смыкания
Коленно-рычажный
Усилие смыкания, т
800
Расстояние между колонн, мм
1020x1020
Цена по запросу
Заказать
Под заказ
ТПА NEO T 800 i7500
Система привода
Гидравлика
Тип смыкания
Коленно-рычажный
Усилие смыкания, т
800
Расстояние между колонн, мм
1020x1020
Цена по запросу
Заказать
/
Получите консультацию
Заполните форму и наш менеджер свяжется
с вами в ближайшее время
Отправить заявку
Согласен на обработку
персональных данных.
Мы используем cookie, чтобы пользоваться сайтом было удобно.
ОК
Обратный звонок
Оставьте заявку и наш менеджер свяжется с вами в ближайшее время.
Отправить заявку
Согласен на обработку
персональных данных.
Узнать стоимость
Оставьте заявку и наш менеджер свяжется с вами в ближайшее время.
Отправить отзыв
Согласен на обработку
персональных данных.
Запросить каталог
Оставьте заявку и наш менеджер свяжется с вами в ближайшее время.
Отправить отзыв
Согласен на обработку
персональных данных.
Воспользуйтесь выгодными условиями
рассрочки на оборудование Tederic
До 2-х лет рассрочки платежа на любой ТПА! На электрические ТПА 1-й год
без удорожания!
Рассрочка на комплексные решения ТПА + Пресс форма
Отправить заявку
Соглашаюсь с
политикой конфиденциальности
и на получение информационных и рекламных сообщений.
ПОЛУЧАЙТЕ САМЫЕ ИНТЕРЕСНЫЕ
ПРЕДЛОЖЕНИЯ ПЕРВЫМИ!
Далее
Нажимая кнопку «далее», я даю согласие на получение рекламной рассылки и обработку
персональных данных
.
Спасибо за заявку
Ваша заявка успешно отправлена. В ближайшее время с вами свяжется наш менеджер.
Подписка успешна
Спасибо за то, что вы подписались на наши рассылки!
Записаться на курс
Оставьте заявку и наш менеджер свяжется с вами в ближайшее время.
Записаться
Согласен на обработку
персональных данных.
Заказать
ТПА Tederic NEO·E60II
Система привода
Электрика
Тип смыкания
Коленно-рычажный
Усилие смыкания, т
60
Расстояние между колонн
360x320
Цена по запросу
Отправить
Согласен на обработку
персональных данных.
Спасибо за отзыв
Ваш отзыв находится на стадии модерации и скоро будет опубликован. Благодарим за уделенное время.