Каталог
Назад
Система привода
Усилие смыкания
По типу продукции
Серии ТПА
Электрические ТПА
Гидравлические ТПА
60 тонн
90 тонн
120 тонн
160 тонн
200 тонн
400 тонн
500 тонн
800 тонн
1000 тонн
1500 тонн
2000 тонн
3500 тонн
4000 тонн
4500 тонн
Баки
Ящики
Посуда
Стаканчики
Мебель
Контейнеры
Вся продукция
Электрические ТПА
Neo·E II
Электрические ТПА
Neo·H II
Электрические ТПА
Neo·T
Электрические ТПА
Neo·T Lite
Электрические ТПА
Neo·Mv
Электрические ТПА
DREAM·DD
Электрические ТПА
DREAM·DT
Электрические ТПА
Neo·Ms
Перейти к оборудованию
Сервис
Лизинг
Обучение
Пресс-формы
Область применения
О компании
Назад
О компании
Новости
Контакты
Пн-Пт с 9:00 до 18:00
8 (495) 789-55-85
Пн-Пт с 9:00 до 18:00
8 (495) 789-55-85
Главная
Каталог
DREAM·DD
D850Db m2500/m840
ТПА D850Db m2500/m840
Серия ТПА
DREAM·DD
Усилие смыкания
850 тонн
Система привода
Гидравлика
Тип смыкания
Коленно-рычажный
Система управления
Techmation/Keba
Производимая продукция:
Все теги
Заказать
Купить в лизинг
Характеристики
Чертежи
Полезная информация
Характеристики
Узел смыкания
Ед.
D850Db m2500/m840
Усилие смыкания
т
850
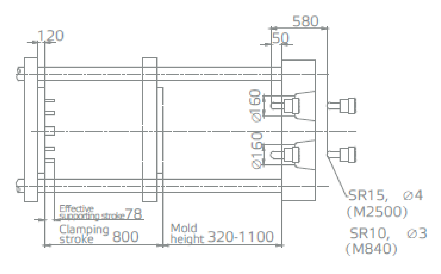
Ход открытия формы
мм
800
Расстояние между колонн
мм
1370x800
Макс. высота пресс-формы
мм
1100
Мин. высота пресс-формы
мм
320
Несущая способность поворотной плиты
т
2025-05-04 00:00:00
Ход толкателя
мм
270
Эффективный ход толкателя
мм
148
Усилие толкателя
кН
110
Кол-во толкателей
шт
5+5
Макс. просвет
мм
1900
Расстояние между центрами формы
мм
710
Диаметр поворотной плиты
мм
1500
Макс. поворотный диаметр формы
мм
1650
Узел впрыска
Ед.
m2500
m840
A
B
C
A
B
C
Диаметр шнека
мм
65
70
75
45
50
55
Объем впрыска (теор.)
см³
1161
1346
1545
358
442
534
Масса впрыска (ПС)
г
1056
1225
1406
325
402
486
Давление впрыска
МПа
229
197
172
235
191
158
Скорость впрыска в воздух (ПС)
г/с
287
332
381
161
198
240
Скорость вращения шнека
об/мин
190
240
Макс. скорость впрыска
мм/сек
95
111
Ход шнека
мм
350
225
Диаметр шнека
мм
65
70
75
45
50
55
Объем впрыска (теор.)
см³
1161
1346
1545
358
442
534
Масса впрыска (ПС)
г
1056
1225
1406
325
402
486
Давление впрыска
МПа
229
197
172
235
191
158
Скорость впрыска в воздух (ПС)
г/с
287
332
381
161
198
240
Скорость вращения шнека
об/мин
190
240
Макс. скорость впрыска
мм/сек
95
111
Ход шнека
мм
350
225
Диаметр шнека
мм
65
70
75
45
50
55
Объем впрыска (теор.)
см³
1161
1346
1545
358
442
534
Масса впрыска (ПС)
г
1056
1225
1406
325
402
486
Давление впрыска
МПа
229
197
172
235
191
158
Скорость впрыска в воздух (ПС)
г/с
287
332
381
161
198
240
Скорость вращения шнека
об/мин
190
240
Макс. скорость впрыска
мм/сек
95
111
Ход шнека
мм
350
225
Прочее
Ед.
D850Db m2500/m840
Макс. давление насоса
МПа
17.5
Мощность двигателя насоса
кВТ
25
Мощность нагревателей
кВТ
13
Вместимость бункера
кг
50
Объем масляного бака
л
1100
Вес станка
т
44.5
Размеры станка (ДхШхВ)
м
9,83x2,8x2,5
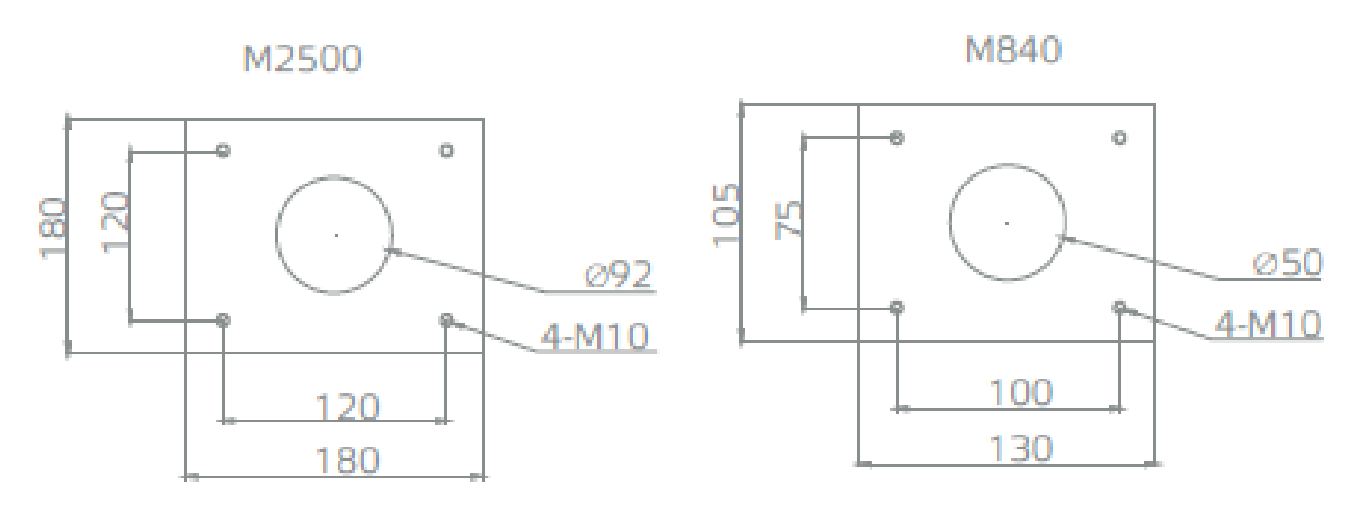
Чертежи
Узел смыкания
Размеры загрузочного бункера
Размеры передней подвижной плиты и поворотного стола
Вид спереди
Установочные размеры бункера на передней неподвижной плите
Установочные размеры робота
Вид сверху
Полезная информация
Похожее оборудование
Всё оборудование
Под заказ
ТПА NEO-E850II e5300
Система привода
Электрика
Тип смыкания
Коленно-рычажный
Усилие смыкания, т
850
Расстояние между колонн, мм
1160x1080
Цена по запросу
Заказать
Под заказ
ТПА NEO-E850II e3400
Система привода
Электрика
Тип смыкания
Коленно-рычажный
Усилие смыкания, т
850
Расстояние между колонн, мм
1160x1080
Цена по запросу
Заказать
Под заказ
ТПА NEO-E850II e2300
Система привода
Электрика
Тип смыкания
Коленно-рычажный
Усилие смыкания, т
850
Расстояние между колонн, мм
1160x1080
Цена по запросу
Заказать
/
Получите консультацию
Заполните форму и наш менеджер свяжется
с вами в ближайшее время
Отправить заявку
Согласен на обработку
персональных данных.
Мы используем cookie, чтобы пользоваться сайтом было удобно.
ОК
Обратный звонок
Оставьте заявку и наш менеджер свяжется с вами в ближайшее время.
Отправить заявку
Согласен на обработку
персональных данных.
Узнать стоимость
Оставьте заявку и наш менеджер свяжется с вами в ближайшее время.
Отправить отзыв
Согласен на обработку
персональных данных.
Запросить каталог
Оставьте заявку и наш менеджер свяжется с вами в ближайшее время.
Отправить отзыв
Согласен на обработку
персональных данных.
Воспользуйтесь выгодными условиями
рассрочки на оборудование Tederic
До 2-х лет рассрочки платежа на любой ТПА! На электрические ТПА 1-й год
без удорожания!
Рассрочка на комплексные решения ТПА + Пресс форма
Отправить заявку
Соглашаюсь с
политикой конфиденциальности
и на получение информационных и рекламных сообщений.
ПОЛУЧАЙТЕ САМЫЕ ИНТЕРЕСНЫЕ
ПРЕДЛОЖЕНИЯ ПЕРВЫМИ!
Далее
Нажимая кнопку «далее», я даю согласие на получение рекламной рассылки и обработку
персональных данных
.
Спасибо за заявку
Ваша заявка успешно отправлена. В ближайшее время с вами свяжется наш менеджер.
Подписка успешна
Спасибо за то, что вы подписались на наши рассылки!
Записаться на курс
Оставьте заявку и наш менеджер свяжется с вами в ближайшее время.
Записаться
Согласен на обработку
персональных данных.
Заказать
ТПА Tederic NEO·E60II
Система привода
Электрика
Тип смыкания
Коленно-рычажный
Усилие смыкания, т
60
Расстояние между колонн
360x320
Цена по запросу
Отправить
Согласен на обработку
персональных данных.
Спасибо за отзыв
Ваш отзыв находится на стадии модерации и скоро будет опубликован. Благодарим за уделенное время.