Каталог
Назад
Система привода
Усилие смыкания
По типу продукции
Серии ТПА
Электрические ТПА
Гидравлические ТПА
60 тонн
90 тонн
120 тонн
160 тонн
200 тонн
400 тонн
500 тонн
800 тонн
1000 тонн
1500 тонн
2000 тонн
3500 тонн
4000 тонн
4500 тонн
Баки
Ящики
Посуда
Стаканчики
Мебель
Контейнеры
Вся продукция
Neo·E II
Электрические ТПА
Neo·H II
Двухплитные ТПА
Neo·T
Универсальные гидравлические ТПА с КРМ
Neo·T Lite
Гидравлические ТПА с КРМ
Neo·Mv
Многокомпонентные ТПА (вертикальный поворотный стол)
DREAM·DD
Многокомпонентные ТПА
DREAM·DT
Гидравлические ТПА с КРМ
Neo·Ms
Многокомпонентные ТПА (горизонтальный поворотный стол)
Перейти к оборудованию
Сервис
Лизинг
Обучение
Пресс-формы
Область применения
Новости
О компании
Назад
О компании
Контакты
Пн-Пт с 9:00 до 18:00
8 (495) 789-55-85
Пн-Пт с 9:00 до 18:00
8 (495) 789-55-85
Главная
Каталог
Neo·E II
NEO-E120II e220
ТПА NEO-E120II e220
Серия ТПА
Neo·E II
Усилие смыкания
120 тонн
Система привода
Электрика
Тип смыкания
Коленно-рычажный
Система управления
Keba
Производимая продукция:
Емкости
Крышки
Тара
Посуда
Стаканчики
Горшки
Кашпо
Мебель
Все теги
Заказать
Купить в лизинг
Характеристики
Чертежи
Полезная информация
Характеристики
Узел смыкания
Ед.
NEO-E120II e220
Усилие смыкания
т
120
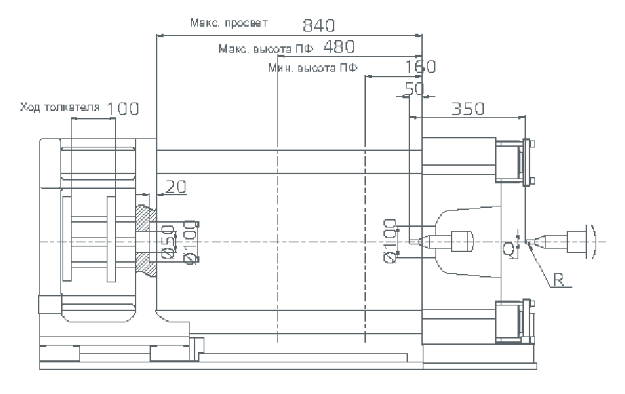
Ход открытия формы
мм
360
Расстояние между колонн
мм
470x420
Макс. высота пресс-формы
мм
480
Мин. высота пресс-формы
мм
160
Мин. размер пресс-формы
мм
330x295
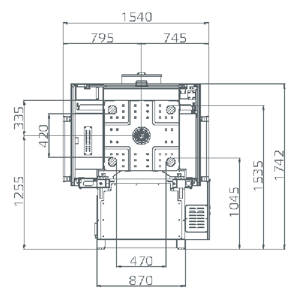
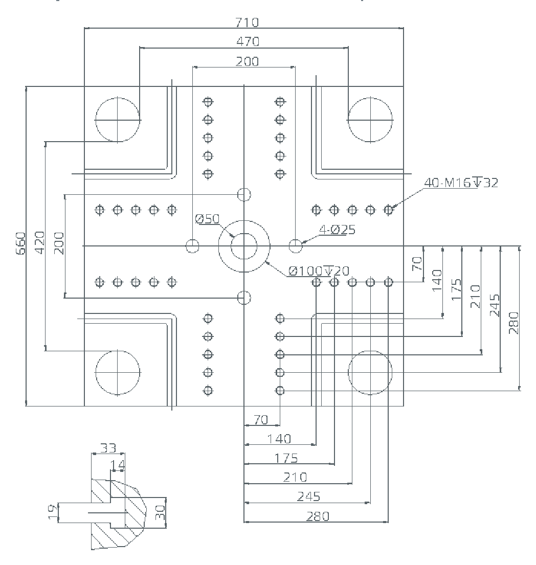
Размеры плиты (ВxД)
мм
710x660
Ход толкателя
мм
100
Усилие толкателя
кН
44
Кол-во толкателей
шт
5
Макс. просвет
мм
840
Узел впрыска
Ед.
e220
A
B
C
Диаметр шнека
мм
28
32
35
Объем впрыска (теор.)
см³
83
109
130
Масса впрыска (ПС)
г
76
99
118
Давление впрыска
МПа
261
2040
1710
Давление впрыска
кгс/с м²
2670
2040
1710
Давление выдержки
МПа
209
160
134
Давление выдержки
кгс/с м²
2130
1630
1360
Скорость впрыска в воздух (ПС)
г/с
112
147
175
Скорость вращения шнека
об/мин
400
Макс. скорость впрыска
мм/сек
200
Ход шнека
мм
135
Усилие прижима сопла
кН
82
Диаметр шнека
мм
28
32
35
Объем впрыска (теор.)
см³
83
109
130
Масса впрыска (ПС)
г
76
99
118
Давление впрыска
МПа
261
2040
1710
Давление впрыска
кгс/с м²
2670
2040
1710
Давление выдержки
МПа
209
160
134
Давление выдержки
кгс/с м²
2130
1630
1360
Скорость впрыска в воздух (ПС)
г/с
112
147
175
Скорость вращения шнека
об/мин
400
Макс. скорость впрыска
мм/сек
200
Ход шнека
мм
135
Усилие прижима сопла
кН
82
Диаметр шнека
мм
28
32
35
Объем впрыска (теор.)
см³
83
109
130
Масса впрыска (ПС)
г
76
99
118
Давление впрыска
МПа
261
2040
1710
Давление впрыска
кгс/с м²
2670
2040
1710
Давление выдержки
МПа
209
160
134
Давление выдержки
кгс/с м²
2130
1630
1360
Скорость впрыска в воздух (ПС)
г/с
112
147
175
Скорость вращения шнека
об/мин
400
Макс. скорость впрыска
мм/сек
200
Ход шнека
мм
135
Усилие прижима сопла
кН
82
Прочее
Ед.
NEO-E120II e220
Макс. давление насоса
МПа
17.5
Мощность двигателя насоса
кВТ
11
Общая мощность
кВт
27
Мощность нагревателей
кВТ
7.9
Вместимость бункера
кг
25
Объем масляного бака
л
80
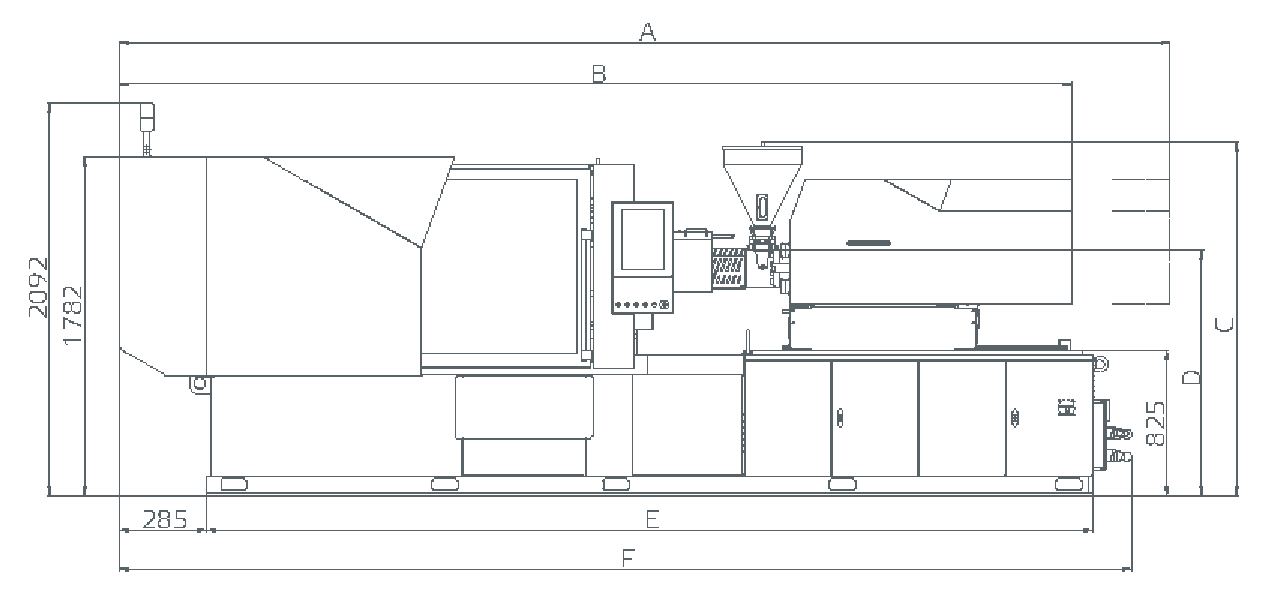
Вес станка
т
6
Размеры станка (ДхШхВ)
м
4,9x1,5x2,1
Чертежи
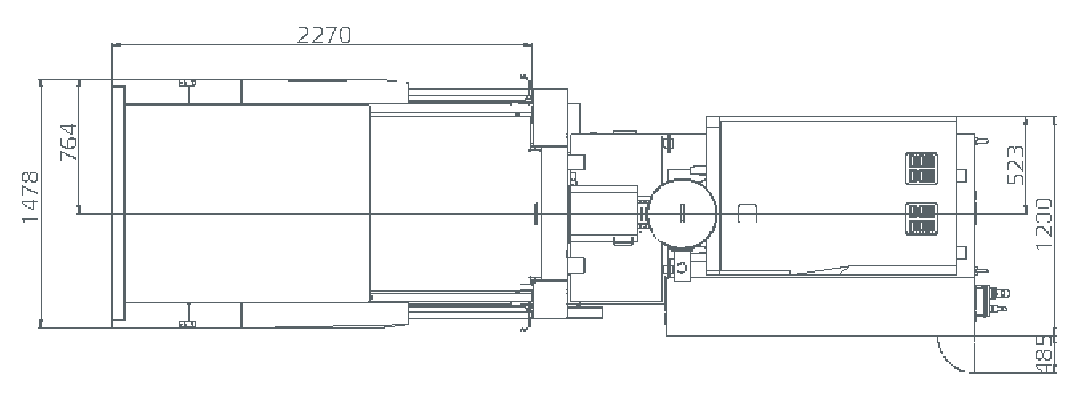
Вид сверху
Вид спереди
Размеры загрузочного бункера
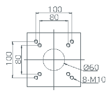
Размеры подвижной плиты и сетки отверстий
Узел смыкания
Установочные размеры робота на передней неподвижной плите
Установочные размеры робота
Полезная информация
Похожее оборудование
Всё оборудование
Под заказ
ТПА NEO-E120II e360h
Система привода
Электрика
Тип смыкания
Коленно-рычажный
Усилие смыкания, т
120
Расстояние между колонн, мм
470x420
Цена по запросу
Заказать
Под заказ
ТПА NEO-E120II e220h
Система привода
Электрика
Тип смыкания
Коленно-рычажный
Усилие смыкания, т
120
Расстояние между колонн, мм
470x420
Цена по запросу
Заказать
Под заказ
ТПА NEO-E120II e160h
Система привода
Электрика
Тип смыкания
Коленно-рычажный
Усилие смыкания, т
120
Расстояние между колонн, мм
470x420
Цена по запросу
Заказать
Под заказ
ТПА NEO-E120II e360
Система привода
Электрика
Тип смыкания
Коленно-рычажный
Усилие смыкания, т
120
Расстояние между колонн, мм
470x420
Цена по запросу
Заказать
Под заказ
ТПА NEO-E120II e160
Система привода
Электрика
Тип смыкания
Коленно-рычажный
Усилие смыкания, т
120
Расстояние между колонн, мм
470x420
Цена по запросу
Заказать
/
Получите консультацию
Заполните форму и наш менеджер свяжется
с вами в ближайшее время
Отправить заявку
Согласен на обработку
персональных данных.
Мы используем cookie, чтобы пользоваться сайтом было удобно.
ОК
Обратный звонок
Оставьте заявку и наш менеджер свяжется с вами в ближайшее время.
Отправить заявку
Согласен на обработку
персональных данных.
Узнать стоимость
Оставьте заявку и наш менеджер свяжется с вами в ближайшее время.
Отправить отзыв
Согласен на обработку
персональных данных.
Запросить каталог
Оставьте заявку и наш менеджер свяжется с вами в ближайшее время.
Отправить отзыв
Согласен на обработку
персональных данных.
Воспользуйтесь выгодными условиями
рассрочки на оборудование Tederic
До 2-х лет рассрочки платежа на любой ТПА!
Сниженные цены на оборудование со склада - отправка до двух дней.
Отправить заявку
Соглашаюсь с
политикой конфиденциальности
и на получение информационных и рекламных сообщений.
ПОЛУЧАЙТЕ САМЫЕ ИНТЕРЕСНЫЕ
ПРЕДЛОЖЕНИЯ ПЕРВЫМИ!
Далее
Нажимая кнопку «далее», я даю согласие на получение рекламной рассылки и обработку
персональных данных
.
Спасибо за заявку
Ваша заявка успешно отправлена. В ближайшее время с вами свяжется ваш персональный менеджер.
Подписка успешна
Теперь вы будете получать новости Tederic первыми!
Записаться на курс
Оставьте заявку и наш менеджер свяжется с вами в ближайшее время.
Записаться
Согласен на обработку
персональных данных.
Заказать
ТПА Tederic NEO·E60II
Система привода
Электрика
Тип смыкания
Коленно-рычажный
Усилие смыкания, т
60
Расстояние между колонн
360x320
Цена по запросу
Отправить
Согласен на обработку
персональных данных.
Спасибо за ваш отзыв
Ваш отзыв находится на стадии модерации и скоро будет опубликован. Благодарим за уделенное время!