Каталог
Назад
Система привода
Усилие смыкания
По типу продукции
Серии ТПА
Электрические ТПА
Гидравлические ТПА
60 тонн
90 тонн
120 тонн
160 тонн
200 тонн
400 тонн
500 тонн
800 тонн
1000 тонн
1500 тонн
2000 тонн
3500 тонн
4000 тонн
4500 тонн
Баки
Ящики
Посуда
Стаканчики
Мебель
Контейнеры
Вся продукция
Neo·E II
Электрические ТПА
Neo·H II
Двухплитные ТПА
Neo·T
Универсальные гидравлические ТПА с КРМ
Neo·T Lite
Гидравлические ТПА с КРМ
Neo·Mv
Многокомпонентные ТПА (вертикальный поворотный стол)
DREAM·DD
Многокомпонентные ТПА
DREAM·DT
Гидравлические ТПА с КРМ
Neo·Ms
Многокомпонентные ТПА (горизонтальный поворотный стол)
Перейти к оборудованию
Сервис
Лизинг
Обучение
Пресс-формы
Область применения
Новости
О компании
Назад
О компании
Контакты
Пн-Пт с 9:00 до 18:00
8 (495) 789-55-85
Пн-Пт с 9:00 до 18:00
8 (495) 789-55-85
Главная
Каталог
Neo·E II
NEO-E560II e3400
ТПА NEO-E560II e3400
Серия ТПА
Neo·E II
Усилие смыкания
560 тонн
Система привода
Электрика
Тип смыкания
Коленно-рычажный
Система управления
Keba
Производимая продукция:
Емкости
Крышки
Тара
Посуда
Стаканчики
Горшки
Кашпо
Мебель
Все теги
Заказать
Купить в лизинг
Характеристики
Чертежи
Полезная информация
Характеристики
Узел смыкания
Ед.
NEO-E560II e3400
Усилие смыкания
т
560
Ход открытия формы
мм
900
Расстояние между колонн
мм
980x870
Макс. высота пресс-формы
мм
900
Мин. высота пресс-формы
мм
400
Мин. размер пресс-формы
мм
685x610
Размеры плиты (ВxД)
мм
1420x1350
Ход толкателя
мм
200
Усилие толкателя
кН
134
Кол-во толкателей
шт
11
Макс. просвет
мм
1800
Узел впрыска
Ед.
e3400
A
B
C
Диаметр шнека
мм
70
80
90
Объем впрыска (теор.)
см³
1424
1860
2354
Масса впрыска (ПС)
г
1296
1693
2142
Давление впрыска
МПа
242
185
146
Давление впрыска
кгс/с м²
2470
1890
1490
Давление выдержки
МПа
194
148
117
Давление выдержки
кгс/с м²
1980
1510
1190
Скорость впрыска в воздух (ПС)
г/с
560
732
926
Скорость вращения шнека
об/мин
220
Макс. скорость впрыска
мм/сек
160 (200)
Ход шнека
мм
370
Усилие прижима сопла
кН
82
Диаметр шнека
мм
70
80
90
Объем впрыска (теор.)
см³
1424
1860
2354
Масса впрыска (ПС)
г
1296
1693
2142
Давление впрыска
МПа
242
185
146
Давление впрыска
кгс/с м²
2470
1890
1490
Давление выдержки
МПа
194
148
117
Давление выдержки
кгс/с м²
1980
1510
1190
Скорость впрыска в воздух (ПС)
г/с
560
732
926
Скорость вращения шнека
об/мин
220
Макс. скорость впрыска
мм/сек
160 (200)
Ход шнека
мм
370
Усилие прижима сопла
кН
82
Диаметр шнека
мм
70
80
90
Объем впрыска (теор.)
см³
1424
1860
2354
Масса впрыска (ПС)
г
1296
1693
2142
Давление впрыска
МПа
242
185
146
Давление впрыска
кгс/с м²
2470
1890
1490
Давление выдержки
МПа
194
148
117
Давление выдержки
кгс/с м²
1980
1510
1190
Скорость впрыска в воздух (ПС)
г/с
560
732
926
Скорость вращения шнека
об/мин
220
Макс. скорость впрыска
мм/сек
160 (200)
Ход шнека
мм
370
Усилие прижима сопла
кН
82
Прочее
Ед.
NEO-E560II e3400
Макс. давление насоса
МПа
17.5
Мощность двигателя насоса
кВТ
32
Общая мощность
кВт
71
Мощность нагревателей
кВТ
41.9
Вместимость бункера
кг
50
Объем масляного бака
л
300
Вес станка
т
36
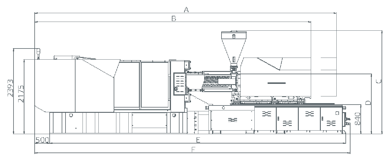
Размеры станка (ДхШхВ)
м
9,2x2,5x2,4
Чертежи
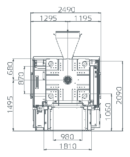
Вид сверху
Вид спереди
Размеры загрузочного бункера
Размеры подвижной плиты и сетки отверстий
Узел смыкания
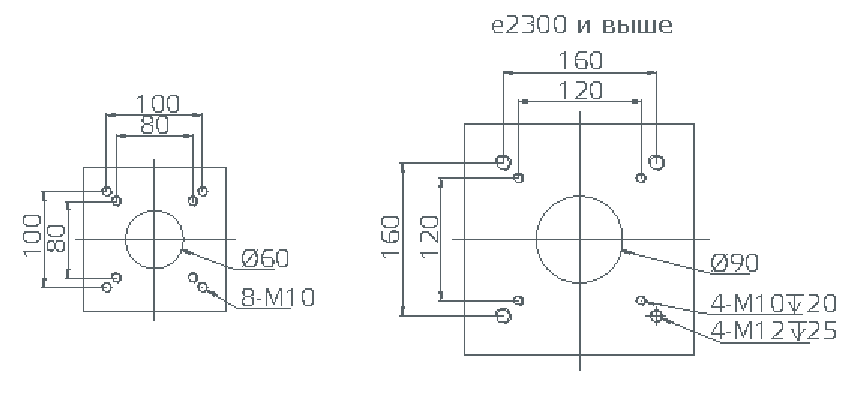
Установочные размеры бункера на передней неподвижной плите
Установочные размеры робота
Полезная информация
Похожее оборудование
Всё оборудование
Под заказ
ТПА NEO-E560II e1700f
Система привода
Электрика
Тип смыкания
Коленно-рычажный
Усилие смыкания, т
560
Расстояние между колонн, мм
980x870
Цена по запросу
Заказать
Под заказ
ТПА NEO-E560II e1700h
Система привода
Электрика
Тип смыкания
Коленно-рычажный
Усилие смыкания, т
560
Расстояние между колонн, мм
980x870
Цена по запросу
Заказать
Под заказ
ТПА NEO-E560II e2300
Система привода
Электрика
Тип смыкания
Коленно-рычажный
Усилие смыкания, т
560
Расстояние между колонн, мм
980x870
Цена по запросу
Заказать
Под заказ
ТПА NEO-E560II e1700
Система привода
Электрика
Тип смыкания
Коленно-рычажный
Усилие смыкания, т
560
Расстояние между колонн, мм
980x870
Цена по запросу
Заказать
/
Получите консультацию
Заполните форму и наш менеджер свяжется
с вами в ближайшее время
Отправить заявку
Согласен на обработку
персональных данных.
Мы используем cookie, чтобы пользоваться сайтом было удобно.
ОК
Обратный звонок
Оставьте заявку и наш менеджер свяжется с вами в ближайшее время.
Отправить заявку
Согласен на обработку
персональных данных.
Узнать стоимость
Оставьте заявку и наш менеджер свяжется с вами в ближайшее время.
Отправить отзыв
Согласен на обработку
персональных данных.
Запросить каталог
Оставьте заявку и наш менеджер свяжется с вами в ближайшее время.
Отправить отзыв
Согласен на обработку
персональных данных.
Воспользуйтесь выгодными условиями
рассрочки на оборудование Tederic
До 2-х лет рассрочки платежа на любой ТПА!
Сниженные цены на оборудование со склада - отправка до двух дней.
Отправить заявку
Соглашаюсь с
политикой конфиденциальности
и на получение информационных и рекламных сообщений.
ПОЛУЧАЙТЕ САМЫЕ ИНТЕРЕСНЫЕ
ПРЕДЛОЖЕНИЯ ПЕРВЫМИ!
Далее
Нажимая кнопку «далее», я даю согласие на получение рекламной рассылки и обработку
персональных данных
.
Спасибо за заявку
Ваша заявка успешно отправлена. В ближайшее время с вами свяжется ваш персональный менеджер.
Подписка успешна
Теперь вы будете получать новости Tederic первыми!
Записаться на курс
Оставьте заявку и наш менеджер свяжется с вами в ближайшее время.
Записаться
Согласен на обработку
персональных данных.
Заказать
ТПА Tederic NEO·E60II
Система привода
Электрика
Тип смыкания
Коленно-рычажный
Усилие смыкания, т
60
Расстояние между колонн
360x320
Цена по запросу
Отправить
Согласен на обработку
персональных данных.
Спасибо за ваш отзыв
Ваш отзыв находится на стадии модерации и скоро будет опубликован. Благодарим за уделенное время!