Каталог
Назад
Система привода
Усилие смыкания
По типу продукции
Серии ТПА
Электрические ТПА
Гидравлические ТПА
60 тонн
90 тонн
120 тонн
160 тонн
200 тонн
400 тонн
500 тонн
800 тонн
1000 тонн
1500 тонн
2000 тонн
3500 тонн
4000 тонн
4500 тонн
Баки
Ящики
Посуда
Стаканчики
Мебель
Контейнеры
Вся продукция
Электрические ТПА
Neo·E II
Электрические ТПА
Neo·H II
Электрические ТПА
Neo·T
Электрические ТПА
Neo·T Lite
Электрические ТПА
Neo·Mv
Электрические ТПА
DREAM·DD
Электрические ТПА
DREAM·DT
Электрические ТПА
Neo·Ms
Перейти к оборудованию
Сервис
Лизинг
Обучение
Пресс-формы
Область применения
О компании
Назад
О компании
Новости
Контакты
Пн-Пт с 9:00 до 18:00
8 (495) 789-55-85
Пн-Пт с 9:00 до 18:00
8 (495) 789-55-85
Главная
Каталог
Neo·E II
NEO-E60II e80h
ТПА NEO-E60II e80h
Серия ТПА
Neo·E II
Усилие смыкания
60 тонн
Система привода
Электрика
Тип смыкания
Коленно-рычажный
Система управления
Keba
Производимая продукция:
Емкости
Крышки
Тара
Посуда
Стаканчики
Горшки
Кашпо
Мебель
Все теги
Заказать
Купить в лизинг
Характеристики
Чертежи
Полезная информация
Характеристики
Узел смыкания
Ед.
NEO-E60II e80h
Усилие смыкания
т
60
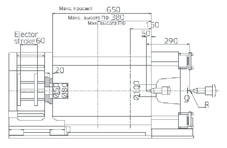
Ход открытия формы
мм
270
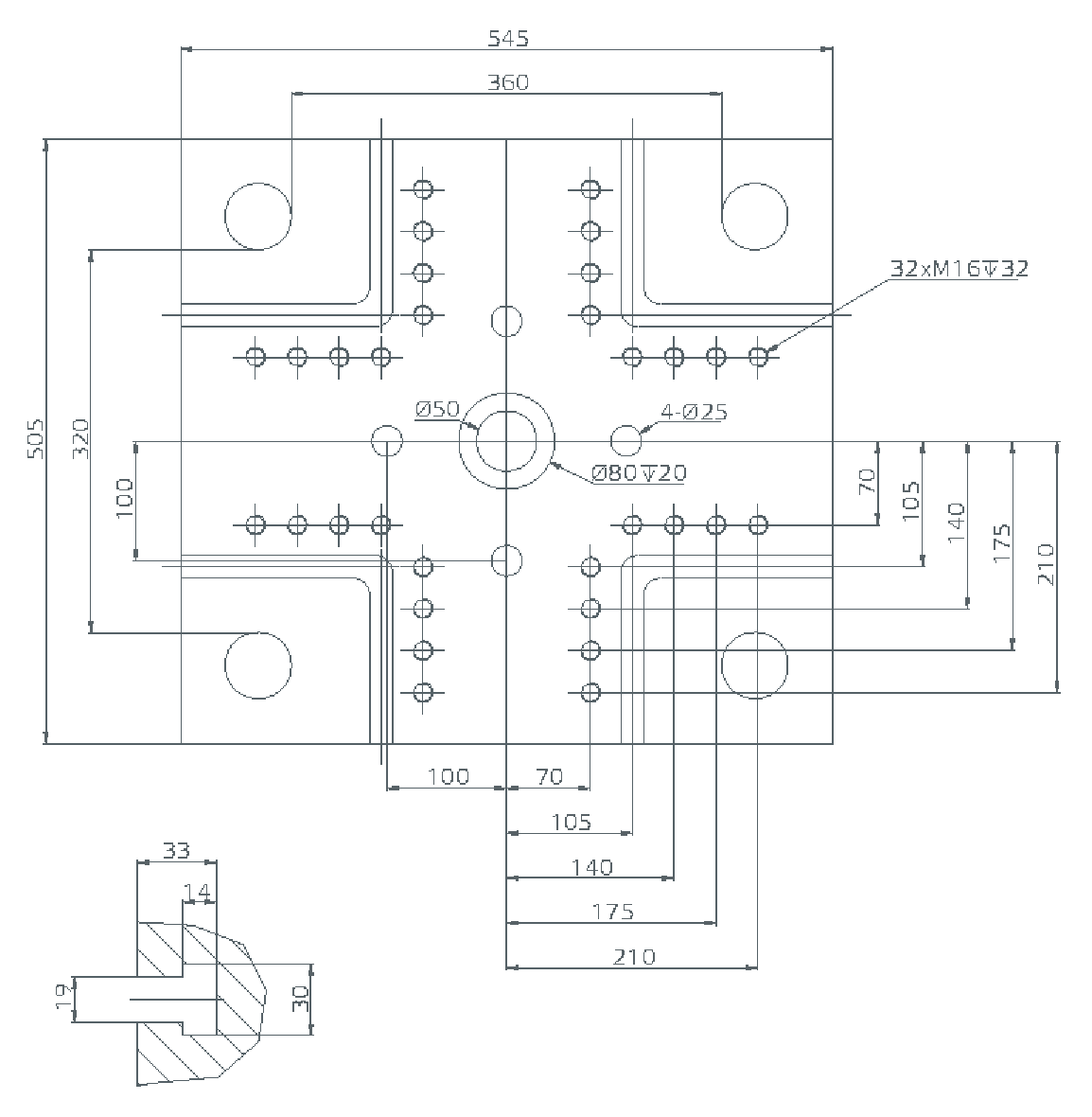
Расстояние между колонн
мм
360x320
Макс. высота пресс-формы
мм
380
Мин. высота пресс-формы
мм
150
Мин. размер пресс-формы
мм
250x225
Размеры плиты (ВxД)
мм
545x505
Ход толкателя
мм
60
Усилие толкателя
кН
26.5
Кол-во толкателей
шт
5
Макс. просвет
мм
650
Узел впрыска
Ед.
e80h
A
B
C
Диаметр шнека
мм
20
22
25
Объем впрыска (теор.)
см³
30
36
46
Масса впрыска (ПС)
г
27
33
42
Давление впрыска
МПа
266
220
170
Давление впрыска
кгс/с м²
2720
2240
1740
Давление выдержки
МПа
213
176
136
Давление выдержки
кгс/с м²
2170
1800
1390
Скорость впрыска в воздух (ПС)
г/с
114
138
179
Скорость вращения шнека
об/мин
400
Макс. скорость впрыска
мм/сек
400
Ход шнека
мм
94
Усилие прижима сопла
кН
11.7
Диаметр шнека
мм
20
22
25
Объем впрыска (теор.)
см³
30
36
46
Масса впрыска (ПС)
г
27
33
42
Давление впрыска
МПа
266
220
170
Давление впрыска
кгс/с м²
2720
2240
1740
Давление выдержки
МПа
213
176
136
Давление выдержки
кгс/с м²
2170
1800
1390
Скорость впрыска в воздух (ПС)
г/с
114
138
179
Скорость вращения шнека
об/мин
400
Макс. скорость впрыска
мм/сек
400
Ход шнека
мм
94
Усилие прижима сопла
кН
11.7
Диаметр шнека
мм
20
22
25
Объем впрыска (теор.)
см³
30
36
46
Масса впрыска (ПС)
г
27
33
42
Давление впрыска
МПа
266
220
170
Давление впрыска
кгс/с м²
2720
2240
1740
Давление выдержки
МПа
213
176
136
Давление выдержки
кгс/с м²
2170
1800
1390
Скорость впрыска в воздух (ПС)
г/с
114
138
179
Скорость вращения шнека
об/мин
400
Макс. скорость впрыска
мм/сек
400
Ход шнека
мм
94
Усилие прижима сопла
кН
11.7
Прочее
Ед.
NEO-E60II e80h
Общая мощность
кВт
20
Мощность нагревателей
кВТ
4.5
Вместимость бункера
кг
15
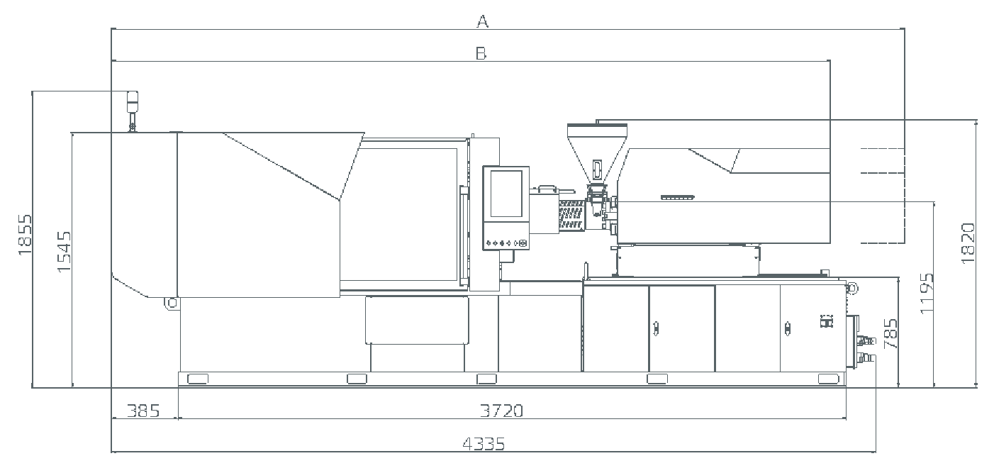
Вес станка
т
3.6
Размеры станка (ДхШхВ)
м
4,3x1,3x1,9
Чертежи
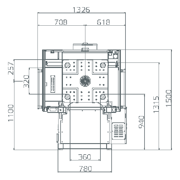
Вид сверху
Вид спереди
Размеры загрузочного бункера
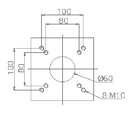
Размеры подвижной плиты и сетки отверстий
Узел смыкания
Установочные размеры бункера на передней неподвижной плите
Установочные размеры робота
Полезная информация
Похожее оборудование
Всё оборудование
Под заказ
ТПА NEO-E60II e110h
Система привода
Электрика
Тип смыкания
Коленно-рычажный
Усилие смыкания, т
60
Расстояние между колонн, мм
360x320
Цена по запросу
Заказать
Под заказ
ТПА NEO-E60II e110
Система привода
Электрика
Тип смыкания
Коленно-рычажный
Усилие смыкания, т
60
Расстояние между колонн, мм
360x320
Цена по запросу
Заказать
Под заказ
ТПА NEO-E60II e80
Система привода
Электрика
Тип смыкания
Коленно-рычажный
Усилие смыкания, т
60
Расстояние между колонн, мм
360x320
Цена по запросу
Заказать
/
Получите консультацию
Заполните форму и наш менеджер свяжется
с вами в ближайшее время
Отправить заявку
Согласен на обработку
персональных данных.
Мы используем cookie, чтобы пользоваться сайтом было удобно.
ОК
Обратный звонок
Оставьте заявку и наш менеджер свяжется с вами в ближайшее время.
Отправить заявку
Согласен на обработку
персональных данных.
Узнать стоимость
Оставьте заявку и наш менеджер свяжется с вами в ближайшее время.
Отправить отзыв
Согласен на обработку
персональных данных.
Запросить каталог
Оставьте заявку и наш менеджер свяжется с вами в ближайшее время.
Отправить отзыв
Согласен на обработку
персональных данных.
Воспользуйтесь выгодными условиями
рассрочки на оборудование Tederic
До 2-х лет рассрочки платежа на любой ТПА! На электрические ТПА 1-й год
без удорожания!
Рассрочка на комплексные решения ТПА + Пресс форма
Отправить заявку
Соглашаюсь с
политикой конфиденциальности
и на получение информационных и рекламных сообщений.
ПОЛУЧАЙТЕ САМЫЕ ИНТЕРЕСНЫЕ
ПРЕДЛОЖЕНИЯ ПЕРВЫМИ!
Далее
Нажимая кнопку «далее», я даю согласие на получение рекламной рассылки и обработку
персональных данных
.
Спасибо за заявку
Ваша заявка успешно отправлена. В ближайшее время с вами свяжется наш менеджер.
Подписка успешна
Спасибо за то, что вы подписались на наши рассылки!
Записаться на курс
Оставьте заявку и наш менеджер свяжется с вами в ближайшее время.
Записаться
Согласен на обработку
персональных данных.
Заказать
ТПА Tederic NEO·E60II
Система привода
Электрика
Тип смыкания
Коленно-рычажный
Усилие смыкания, т
60
Расстояние между колонн
360x320
Цена по запросу
Отправить
Согласен на обработку
персональных данных.
Спасибо за отзыв
Ваш отзыв находится на стадии модерации и скоро будет опубликован. Благодарим за уделенное время.