Каталог
Назад
Система привода
Усилие смыкания
По типу продукции
Серии ТПА
Электрические ТПА
Гидравлические ТПА
60 тонн
90 тонн
120 тонн
160 тонн
200 тонн
400 тонн
500 тонн
800 тонн
1000 тонн
1500 тонн
2000 тонн
3500 тонн
4000 тонн
4500 тонн
Баки
Ящики
Посуда
Стаканчики
Мебель
Контейнеры
Вся продукция
Электрические ТПА
Neo·E II
Электрические ТПА
Neo·H II
Электрические ТПА
Neo·T
Электрические ТПА
Neo·T Lite
Электрические ТПА
Neo·Mv
Электрические ТПА
DREAM·DD
Электрические ТПА
DREAM·DT
Электрические ТПА
Neo·Ms
Перейти к оборудованию
Сервис
Лизинг
Обучение
Пресс-формы
Область применения
О компании
Назад
О компании
Новости
Контакты
Пн-Пт с 9:00 до 18:00
8 (495) 789-55-85
Пн-Пт с 9:00 до 18:00
8 (495) 789-55-85
Главная
Каталог
Neo·H II
NEO-H1400 i10600
ТПА NEO-H1400 i10600
Серия ТПА
Neo·H II
Усилие смыкания
1400 тонн
Система привода
Гидравлика
Тип смыкания
Двухплитный
Система управления
Keba
Производимая продукция:
Баки
Ящики
Коробки
Емкости
Тара
Фасадные панели
Горшки
Кашпо
Мебель
Фитинги
Заглушки для труб
Все теги
Заказать
Купить в лизинг
Характеристики
Чертежи
Полезная информация
Характеристики
Узел смыкания
Ед.
NEO-H1400 i10600
Усилие смыкания
т
1400
Ход открытия формы
мм
2200/1450
Расстояние между колонн
мм
1460x1360
Макс. высота пресс-формы
мм
1450
Мин. высота пресс-формы
мм
700
Мин. размер пресс-формы
мм
1020x950
Размеры плиты (ВxД)
мм
1980x1880
Ход толкателя
мм
350
Усилие толкателя
кН
300
Кол-во толкателей
шт
13
Макс. просвет
мм
2900
Узел впрыска
Ед.
i10600
A
B
C
Диаметр шнека
мм
110
120
130
Объем впрыска (теор.)
см³
5312
6322
7420
Масса впрыска (ПС)
г
4834
5753
6752
Давление впрыска
МПа
191.8
161.1
137.3
Скорость впрыска в воздух (ПС)
г/с
1026
1221
1433
Скорость вращения шнека
об/мин
109
Макс. скорость впрыска
мм/сек
119
Ход шнека
мм
559
Диаметр шнека
мм
110
120
130
Объем впрыска (теор.)
см³
5312
6322
7420
Масса впрыска (ПС)
г
4834
5753
6752
Давление впрыска
МПа
191.8
161.1
137.3
Скорость впрыска в воздух (ПС)
г/с
1026
1221
1433
Скорость вращения шнека
об/мин
109
Макс. скорость впрыска
мм/сек
119
Ход шнека
мм
559
Диаметр шнека
мм
110
120
130
Объем впрыска (теор.)
см³
5312
6322
7420
Масса впрыска (ПС)
г
4834
5753
6752
Давление впрыска
МПа
191.8
161.1
137.3
Скорость впрыска в воздух (ПС)
г/с
1026
1221
1433
Скорость вращения шнека
об/мин
109
Макс. скорость впрыска
мм/сек
119
Ход шнека
мм
559
Прочее
Ед.
NEO-H1400 i10600
Макс. давление насоса
МПа
17.5
Мощность двигателя насоса
кВТ
51x2+61
Мощность нагревателей
кВТ
80
Вместимость бункера
кг
100
Объем масляного бака
л
1400
Вес станка
т
63
Размеры станка (ДхШхВ)
м
11,3x4,1x4,1
Чертежи
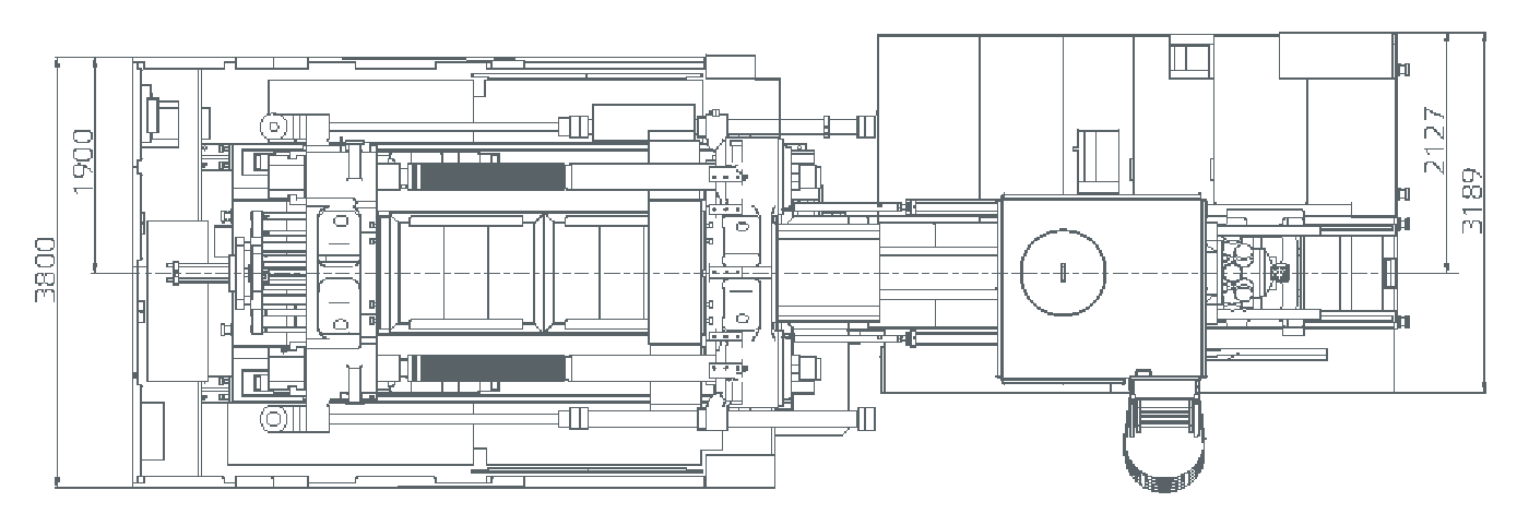
Вид сверху
Вид спереди
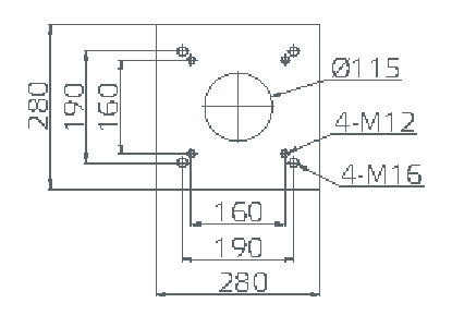
Размеры загрузочного бункера
Размеры подвижной плиты и сетки отверстий
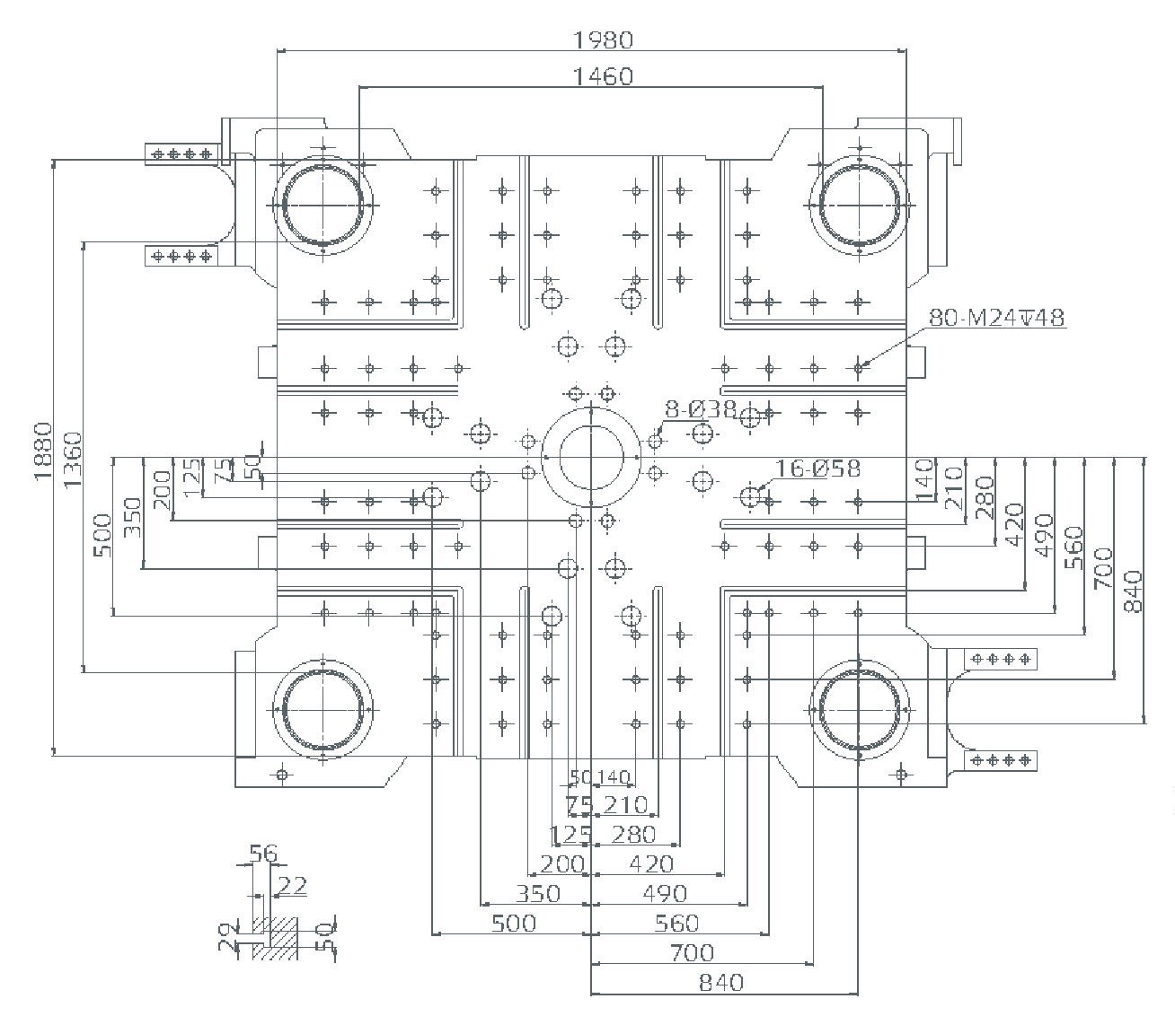
Узел смыкания
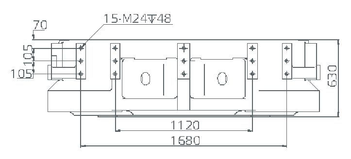
Установочные размеры робота на передней неподвижной плите
Установочные размеры робота
Полезная информация
Похожее оборудование
Всё оборудование
Под заказ
ТПА NEO-H1400wp i10600
Система привода
Гидравлика
Тип смыкания
Двухплитный
Усилие смыкания, т
1400
Расстояние между колонн, мм
1600х1410
Цена по запросу
Заказать
Под заказ
ТПА NEO-E1400II e9500
Система привода
Электрика
Тип смыкания
Коленно-рычажный
Усилие смыкания, т
1400
Расстояние между колонн, мм
1550x1450
Цена по запросу
Заказать
Под заказ
ТПА NEO-E1400II e7300
Система привода
Электрика
Тип смыкания
Коленно-рычажный
Усилие смыкания, т
1400
Расстояние между колонн, мм
1550x1450
Цена по запросу
Заказать
Под заказ
ТПА NEO-E1400II e5300
Система привода
Электрика
Тип смыкания
Коленно-рычажный
Усилие смыкания, т
1400
Расстояние между колонн, мм
1550x1450
Цена по запросу
Заказать
/
Получите консультацию
Заполните форму и наш менеджер свяжется
с вами в ближайшее время
Отправить заявку
Согласен на обработку
персональных данных.
Мы используем cookie, чтобы пользоваться сайтом было удобно.
ОК
Обратный звонок
Оставьте заявку и наш менеджер свяжется с вами в ближайшее время.
Отправить заявку
Согласен на обработку
персональных данных.
Узнать стоимость
Оставьте заявку и наш менеджер свяжется с вами в ближайшее время.
Отправить отзыв
Согласен на обработку
персональных данных.
Запросить каталог
Оставьте заявку и наш менеджер свяжется с вами в ближайшее время.
Отправить отзыв
Согласен на обработку
персональных данных.
Воспользуйтесь выгодными условиями
рассрочки на оборудование Tederic
До 2-х лет рассрочки платежа на любой ТПА! На электрические ТПА 1-й год
без удорожания!
Рассрочка на комплексные решения ТПА + Пресс форма
Отправить заявку
Соглашаюсь с
политикой конфиденциальности
и на получение информационных и рекламных сообщений.
ПОЛУЧАЙТЕ САМЫЕ ИНТЕРЕСНЫЕ
ПРЕДЛОЖЕНИЯ ПЕРВЫМИ!
Далее
Нажимая кнопку «далее», я даю согласие на получение рекламной рассылки и обработку
персональных данных
.
Спасибо за заявку
Ваша заявка успешно отправлена. В ближайшее время с вами свяжется наш менеджер.
Подписка успешна
Спасибо за то, что вы подписались на наши рассылки!
Записаться на курс
Оставьте заявку и наш менеджер свяжется с вами в ближайшее время.
Записаться
Согласен на обработку
персональных данных.
Заказать
ТПА Tederic NEO·E60II
Система привода
Электрика
Тип смыкания
Коленно-рычажный
Усилие смыкания, т
60
Расстояние между колонн
360x320
Цена по запросу
Отправить
Согласен на обработку
персональных данных.
Спасибо за отзыв
Ваш отзыв находится на стадии модерации и скоро будет опубликован. Благодарим за уделенное время.