Каталог
Назад
Система привода
Усилие смыкания
По типу продукции
Серии ТПА
Электрические ТПА
Гидравлические ТПА
60 тонн
90 тонн
120 тонн
160 тонн
200 тонн
400 тонн
500 тонн
800 тонн
1000 тонн
1500 тонн
2000 тонн
3500 тонн
4000 тонн
4500 тонн
Баки
Ящики
Посуда
Стаканчики
Мебель
Контейнеры
Вся продукция
Электрические ТПА
Neo·E II
Электрические ТПА
Neo·H II
Электрические ТПА
Neo·T
Электрические ТПА
Neo·T Lite
Электрические ТПА
Neo·Mv
Электрические ТПА
DREAM·DD
Электрические ТПА
DREAM·DT
Электрические ТПА
Neo·Ms
Перейти к оборудованию
Сервис
Лизинг
Обучение
Пресс-формы
Область применения
О компании
Назад
О компании
Новости
Контакты
Пн-Пт с 9:00 до 18:00
8 (495) 789-55-85
Пн-Пт с 9:00 до 18:00
8 (495) 789-55-85
Главная
Каталог
Neo·Mv
NEO M 1120v m1500/m640
ТПА NEO M 1120v m1500/m640
Серия ТПА
Neo·Mv
Усилие смыкания
1120 тонн
Система привода
Гидравлика
Тип смыкания
Коленно-рычажный
Система управления
Keba
Производимая продукция:
Бамперы
Радиаторы
Крылья для авто
Все теги
Заказать
Купить в лизинг
Характеристики
Чертежи
Полезная информация
Характеристики
Узел смыкания
Ед.
NEO M 1120v m1500/m640
Усилие смыкания
т
1120
Ход открытия формы
мм
2100/1300
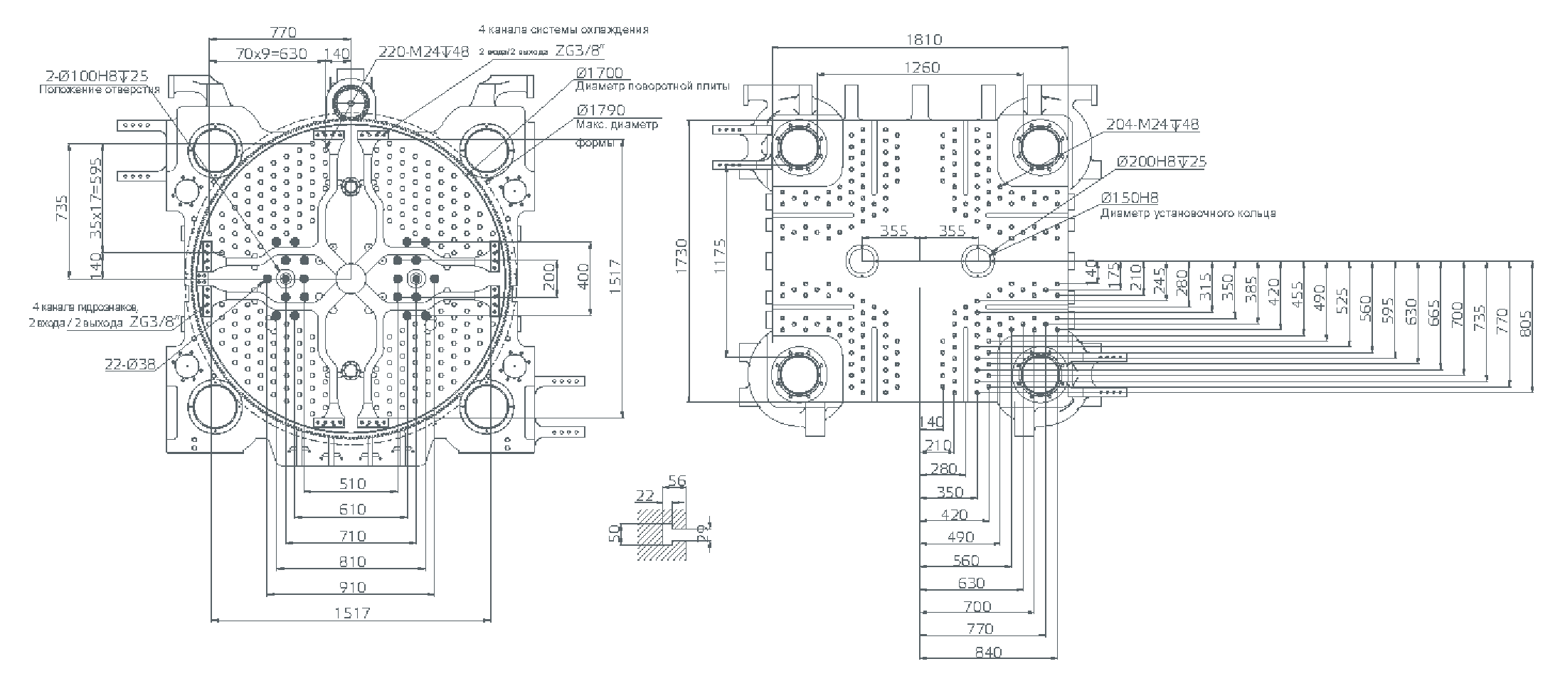
Расстояние между колонн
мм
1260x1175
Макс. высота пресс-формы
мм
1300
Мин. высота пресс-формы
мм
500
Мин. размер пресс-формы
мм
880x822
Размеры плиты (ВxД)
мм
1810x1730
Несущая способность поворотной плиты
т
7
Ход толкателя
мм
200
Усилие толкателя
кН
110
Кол-во толкателей
шт
11
Макс. просвет
мм
2600
Расстояние между центрами формы
мм
710
Диаметр поворотной плиты
мм
1700
Макс. поворотный диаметр формы
мм
1790
Узел впрыска
Ед.
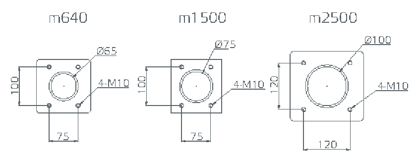
m1500
m640
1
1
Диаметр шнека
мм
55
42
Объем впрыска (теор.)
см³
655
282
Масса впрыска (ПС)
г
596
257
Давление впрыска
МПа
231.4
254
Скорость впрыска в воздух (ПС)
г/с
349
183
Скорость вращения шнека
об/мин
210
250
Макс. скорость впрыска
мм/сек
161
145
Ход шнека
мм
276
204
Прочее
Ед.
NEO M 1120v m1500/m640
Макс. давление насоса
МПа
17.5
Мощность двигателя насоса
кВТ
61+32+16
Мощность нагревателей
кВТ
13
Вместимость бункера
кг
50
Объем масляного бака
л
1000
Вес станка
т
65
Размеры станка (ДхШхВ)
м
10,2x3,4x2,8
Чертежи
Вид сверху
Вид спереди
Размеры загрузочного бункера
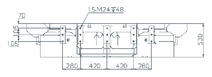
Размеры передней плиты и поворотного стола
Установочные размеры робота на передней неподвижной плите
Установочные размеры робота
Полезная информация
Похожее оборудование
Всё оборудование
Под заказ
ТПА NEO M 1120s i3800/e1400h
Система привода
Гидравлика+Электрика
Тип смыкания
Двухплитный
Усилие смыкания, т
1120
Расстояние между колонн, мм
1260x1175
Цена по запросу
Заказать
Под заказ
ТПА NEO M 1120s i3800/i1900
Система привода
Гидравлика
Тип смыкания
Двухплитный
Усилие смыкания, т
1120
Расстояние между колонн, мм
1260x1175
Цена по запросу
Заказать
Под заказ
ТПА NEO M 1120v m2500/m2500
Система привода
Гидравлика
Тип смыкания
Коленно-рычажный
Усилие смыкания, т
1120
Расстояние между колонн, мм
1260x1175
Цена по запросу
Заказать
/
Получите консультацию
Заполните форму и наш менеджер свяжется
с вами в ближайшее время
Отправить заявку
Согласен на обработку
персональных данных.
Мы используем cookie, чтобы пользоваться сайтом было удобно.
ОК
Обратный звонок
Оставьте заявку и наш менеджер свяжется с вами в ближайшее время.
Отправить заявку
Согласен на обработку
персональных данных.
Узнать стоимость
Оставьте заявку и наш менеджер свяжется с вами в ближайшее время.
Отправить отзыв
Согласен на обработку
персональных данных.
Запросить каталог
Оставьте заявку и наш менеджер свяжется с вами в ближайшее время.
Отправить отзыв
Согласен на обработку
персональных данных.
Воспользуйтесь выгодными условиями
рассрочки на оборудование Tederic
До 2-х лет рассрочки платежа на любой ТПА! На электрические ТПА 1-й год
без удорожания!
Рассрочка на комплексные решения ТПА + Пресс форма
Отправить заявку
Соглашаюсь с
политикой конфиденциальности
и на получение информационных и рекламных сообщений.
ПОЛУЧАЙТЕ САМЫЕ ИНТЕРЕСНЫЕ
ПРЕДЛОЖЕНИЯ ПЕРВЫМИ!
Далее
Нажимая кнопку «далее», я даю согласие на получение рекламной рассылки и обработку
персональных данных
.
Спасибо за заявку
Ваша заявка успешно отправлена. В ближайшее время с вами свяжется наш менеджер.
Подписка успешна
Спасибо за то, что вы подписались на наши рассылки!
Записаться на курс
Оставьте заявку и наш менеджер свяжется с вами в ближайшее время.
Записаться
Согласен на обработку
персональных данных.
Заказать
ТПА Tederic NEO·E60II
Система привода
Электрика
Тип смыкания
Коленно-рычажный
Усилие смыкания, т
60
Расстояние между колонн
360x320
Цена по запросу
Отправить
Согласен на обработку
персональных данных.
Спасибо за отзыв
Ваш отзыв находится на стадии модерации и скоро будет опубликован. Благодарим за уделенное время.