Каталог
Назад
Система привода
Усилие смыкания
По типу продукции
Серии ТПА
Электрические ТПА
Гидравлические ТПА
60 тонн
90 тонн
120 тонн
160 тонн
200 тонн
400 тонн
500 тонн
800 тонн
1000 тонн
1500 тонн
2000 тонн
3500 тонн
4000 тонн
4500 тонн
Баки
Ящики
Посуда
Стаканчики
Мебель
Контейнеры
Вся продукция
Электрические ТПА
Neo·E II
Электрические ТПА
Neo·H II
Электрические ТПА
Neo·T
Электрические ТПА
Neo·T Lite
Электрические ТПА
Neo·Mv
Электрические ТПА
DREAM·DD
Электрические ТПА
DREAM·DT
Электрические ТПА
Neo·Ms
Перейти к оборудованию
Сервис
Лизинг
Обучение
Пресс-формы
Область применения
О компании
Назад
О компании
Новости
Контакты
Пн-Пт с 9:00 до 18:00
8 (495) 789-55-85
Пн-Пт с 9:00 до 18:00
8 (495) 789-55-85
Главная
Каталог
Neo·Ms
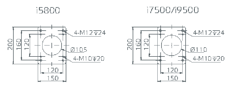
NEO M 1920s i7500/i5800
ТПА NEO M 1920s i7500/i5800
Серия ТПА
Neo·Ms
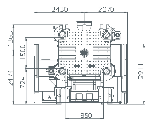
Усилие смыкания
1920 тонн
Система привода
Гидравлика
Тип смыкания
Двухплитный
Система управления
Keba
Производимая продукция:
Бамперы
Радиаторы
Крылья для авто
Все теги
Заказать
Купить в лизинг
Характеристики
Чертежи
Полезная информация
Характеристики
Узел смыкания
Ед.
NEO M 1920s i7500/i5800
Усилие смыкания
т
1920
Ход открытия формы (подвижная плита)
мм
4140/2340
Ход открытия формы (Средняя плита)
мм
2070/1170
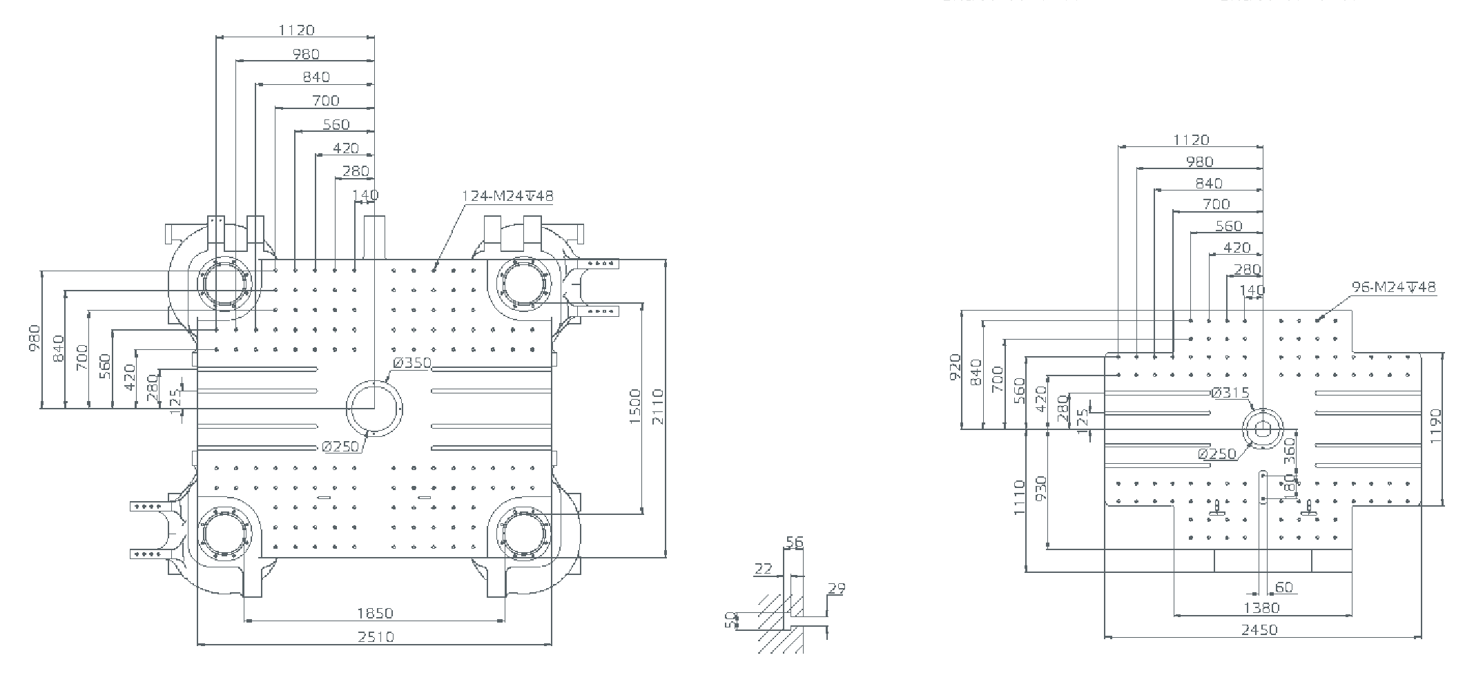
Расстояние между колонн
мм
1850x1500
Макс. высота пресс-формы
мм
1550x2
Мин. высота пресс-формы
мм
650x2
Макс. просвет (подвижная плита)
мм
5700
Макс. просвет (Средняя плита)
мм
2720
Размеры средней плиты
мм
2450x1700
Толщина средней плиты
мм
260
Расстояние между центром средней плиты и нижней платформой
мм
850
Узел впрыска
Ед.
i7500
i5800
1
1
Диаметр шнека
мм
85.5
80.0
Объем впрыска (теор.)
см³
2921
2376
Масса впрыска (ПС)
г
2658
2162
Давление впрыска
МПа
249.4
229
Скорость впрыска в воздух (ПС)
г/с
789
705
Скорость вращения шнека
об/мин
120
Макс. скорость впрыска
мм/сек
153
154
Ход шнека
мм
515
473
Прочее
Ед.
NEO M 1920s i7500/i5800
Макс. давление насоса
МПа
17.5
Мощность двигателя насоса
кВТ
51x3++61x2+61+16
Мощность нагревателей
кВТ
55
Вместимость бункера
кг
100
Объем масляного бака
л
1500
Вес станка
т
110
Размеры станка (ДхШхВ)
м
18,1x4,5x3,9
Чертежи
Вид сверху
Вид спереди
Размеры загрузочного бункера
Размеры передней плиты и поворотного стола
Узел смыкания
Установочные размеры робота на передней неподвижной плите
Установочные размеры робота
Полезная информация
Похожее оборудование
Всё оборудование
Под заказ
ТПА NEO M 1920s i9500/i5800
Система привода
Гидравлика
Тип смыкания
Двухплитный
Усилие смыкания, т
1920
Расстояние между колонн, мм
1850x1500
Цена по запросу
Заказать
Под заказ
ТПА NEO M 1920v m3700/m2500
Система привода
Гидравлика
Тип смыкания
Коленно-рычажный
Усилие смыкания, т
1920
Расстояние между колонн, мм
1850x1500
Цена по запросу
Заказать
Под заказ
ТПА NEO M 1920v m3700/m1500
Система привода
Гидравлика
Тип смыкания
Коленно-рычажный
Усилие смыкания, т
1920
Расстояние между колонн, мм
1850x1500
Цена по запросу
Заказать
Под заказ
ТПА NEO M 1920v m3700/m1100
Система привода
Гидравлика
Тип смыкания
Коленно-рычажный
Усилие смыкания, т
1920
Расстояние между колонн, мм
1850x1500
Цена по запросу
Заказать
/
Получите консультацию
Заполните форму и наш менеджер свяжется
с вами в ближайшее время
Отправить заявку
Согласен на обработку
персональных данных.
Мы используем cookie, чтобы пользоваться сайтом было удобно.
ОК
Обратный звонок
Оставьте заявку и наш менеджер свяжется с вами в ближайшее время.
Отправить заявку
Согласен на обработку
персональных данных.
Узнать стоимость
Оставьте заявку и наш менеджер свяжется с вами в ближайшее время.
Отправить отзыв
Согласен на обработку
персональных данных.
Запросить каталог
Оставьте заявку и наш менеджер свяжется с вами в ближайшее время.
Отправить отзыв
Согласен на обработку
персональных данных.
Воспользуйтесь выгодными условиями
рассрочки на оборудование Tederic
До 2-х лет рассрочки платежа на любой ТПА! На электрические ТПА 1-й год
без удорожания!
Рассрочка на комплексные решения ТПА + Пресс форма
Отправить заявку
Соглашаюсь с
политикой конфиденциальности
и на получение информационных и рекламных сообщений.
ПОЛУЧАЙТЕ САМЫЕ ИНТЕРЕСНЫЕ
ПРЕДЛОЖЕНИЯ ПЕРВЫМИ!
Далее
Нажимая кнопку «далее», я даю согласие на получение рекламной рассылки и обработку
персональных данных
.
Спасибо за заявку
Ваша заявка успешно отправлена. В ближайшее время с вами свяжется наш менеджер.
Подписка успешна
Спасибо за то, что вы подписались на наши рассылки!
Записаться на курс
Оставьте заявку и наш менеджер свяжется с вами в ближайшее время.
Записаться
Согласен на обработку
персональных данных.
Заказать
ТПА Tederic NEO·E60II
Система привода
Электрика
Тип смыкания
Коленно-рычажный
Усилие смыкания, т
60
Расстояние между колонн
360x320
Цена по запросу
Отправить
Согласен на обработку
персональных данных.
Спасибо за отзыв
Ваш отзыв находится на стадии модерации и скоро будет опубликован. Благодарим за уделенное время.